67 575 товаров в наличии и на заказ

Электронные компоненты и расходные материалы

$
Настройка отображения валюты
Полный каталог
Скидка на Конденсаторы
-20%

ПП3-40 3W(Ватт) 22 Ω(Ом)-А±10%, ВС2(под шлиц) Резистор переменный (потенциометр) (арт. KP-5066)

ПП3-40 3W(Ватт) 22Ω(Ом)-А±10%, ВС2(под шлиц) Резистор переменный (потенциометр), проволочный, регулировочный. Одинарный однооборотный. Предназначен для работы в электрических цепях постоянного и переменного тока частотой до 10000 Гц. Номинальная мощность 3 Вт. Номинальное сопротивление 22 Ом. Вся дополнительная информация находится во вложении на товар, см. pdf-файл.

Подробнее
Заметили
ошибку ?
Сообщите нам

Общая информация

Наименование ПП3-40 3W(Ватт) 22 Ω(Ом)-А±10%, ВС2(под шлиц) Резистор переменный (потенциометр)
Торговая марка Арзамасский завод радиодеталей
Страна изготовления РОССИЯ
Нормы и требования ГОСТ РВ 0015-002-2020
Дата изготовленияi 2023
Вид приемки i "1"- ОТК
Масса изделия, гр 12
Транслитерация PP3-40 3W 22 kΩ±10%
Доупаковка бумага
Состояние упаковки самоупаковка
Кратность упаковки 1

Основные параметры

Функциональная группа Резистор переменный (потенциометр)
Функциональный тип резисторы проволочные мощные
Серия резисторов ПП3-40
Функциональная характеристика А - линейная
Материал резистивного элемента проволока
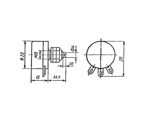
Диаметр вала (оси) выступающей части 4 mm
Длина конца вала 10 mm
Длина вала (длина выступающей части) 22,5 mm
Вид вала i ВС2(под шлиц)
Вид и размер резьбы корпуса М8 (метрическая)
Исполнение потенциометра вертикальный
Материал выводов латунь
Материал корпуса карболит
Установочные размеры 8,2 mm
Вид выводов лепесток
Покрытие выводов (Ni) никель
Количество выводов 3
Шаг выводов 8,5 mm
Количество оборотов однооборотный
Габаритные размеры L*W*H 23х30x37,5 mm
Диаметр корпуса 23 mm
Высота корпуса 15 mm
Метод монтажа механический на панель
Метод монтажа электрический пайка
Дополнительные характеристики подстроечный без стопорения вала
Фактическая маркировка ПП3-40 22RK

Технические характеристики

Единицы измерения сопротивления Ω (Ом)
Номинальное сопротивление 22 kΩ
Номинальная мощность 3 W
Макс. или предельное рабочее напряжение 400 V
Допустимое отклонение ±10%

Условия эксплуатации

Минимальная наработка 1000 час.
Ресурс 10000 циклов
Интервал рабочих температур от -60 до +155°С
Относительная влажность до 98% при температуре +25°С
Атмосферное давление 0,7-107 kPa
Минимальный срок сохраняемости, лет 15

Полные аналоги

ПП3-40 3W(Ватт) 22Ω(Ом)-А±5% ОАО «Рикор Электроникс», фото
ПП3-40 3W(Ватт) 22Ω(Ом)-А±5% ОАО «Рикор Электроникс»

Функциональные аналоги

Возможные аналоги

Оставить отзыв

Оценка:
              
Преимущества *
Недостатки *
Комментарий *
Ваше Имя *
Эл. почта *
Введите текст с картинки:
* Поля для обязательного заполнения
Отзыв будет опубликован после проверки модератором
Принимаем заказы на товары,
не вошедшие в каталог

Пришлите маркировку необходимого вам товара.
Мы предоставим Вам наилучшие условия по поставке!

Оформить заявку

Похожие товары

Артикул (ID): TN-4116
ППБ-3А 3W(Ватт) 68Ω(Ом)-А±5%, А-ВС1(сплошной гладкий) Резистор переменный (потенциометр)
Артикул (ID): TM-1688
ППБ-3В 3W(Ватт) 100Ω(Ом)-А±10%, В-ВС2(под шлиц) Резистор переменный (потенциометр),
  • 293 1 шт.
  • 266 от 5 шт.
Артикул (ID): SN-5151
ПП3-41 3W(Ватт) 20kΩ(кОм)-А±10%, ВС2(под шлиц) Резистор переменный (потенциометр)
Артикул (ID): SN-5051
ПП3-41 3W(Ватт) 4,7Ω(Ом)-А±10%, ВС2(под шлиц) Резистор переменный (потенциометр), ОЖ0.468.503ТУ
  • 1026 1 шт.
Артикул (ID): TM-2083
ПП3-41 3W(Ватт) 4,7kΩ(кОм)-А±10%, ВС2(под шлиц) Резистор переменный (потенциометр)
Артикул (ID): TF-1899
Уценка ППБ-50Е 50W(Ватт) 22Ω(Ом)-А±5%, Е-ВС2(под шлиц) Резистор переменный (потенциометр)
  • 725 1 шт.
Артикул (ID): TF-1657
Уценка ПП3-41 3W(Ватт) 20kΩ(кОм)-А±10%, ВС2(под шлиц) Резистор переменный (потенциометр), ОЖ0.468.565ТУ
  • 135 1 шт.
Артикул (ID): KK-15082
ПП3-43-1 К||5|2016|Арзамас|10%,з/уп"
  • 510 1 шт.
Артикул (ID): KK-15083
ПП3-43-1 К||5|2017|Арзамас|10%,з/уп"
  • 561 1 шт.
Артикул (ID): KK-15084
ПП3-43-1 К||5|2018|Арзамас|10%,з/уп"
  • 561 1 шт.
Артикул (ID): KK-15085
ПП3-43-1 К||5|2019|Арзамас|10%,з/уп"
  • 612 1 шт.
Артикул (ID): ZR-7384
ППБ-3Б 3W(Ватт) 220Ω(Ом)-А, Б-ВС2(под шлиц) Резистор переменный (потенциометр)
  • 185.57 1 шт.
Артикул (ID): ZK-6902
BC1-100 100W(Ватт) 1Ω(Ом) Резистор переменный (потенциометр)
  • 969.18 1 шт.
  • 969.18 от 10 шт.
  • 969.18 от 100 шт.
Артикул (ID): BV-9300
ППБ-15Е 15W(Ватт) 470Ω(Ом)-А±10%, Е-ВС2(под шлиц) Резистор переменный (потенциометр), ОЖО 468.512 ТУ
  • 550 1 шт.
Артикул (ID): KK-16781
ПП3-43-220 Ом|||1993|Арзамас|10%,с креп.
  • 119 1 шт.

Недавно просмотренные товары

Принимаем к оплате
IP Electron в соцсетях