67 524 товаров в наличии и на заказ

Электронные компоненты и расходные материалы

$
Настройка отображения валюты
Полный каталог
Скидка на Конденсаторы
-20%

СП-2(II) 1W(Ватт) 470 Ω(Ом)±20%-А, ВС2-16 сплошной с шлицем Резистор переменный (потенциометр) (арт. SN-9202)

ПО Омега, Унеча, Брянская обл.; ГОСТ 5574-73; А - линейная; однооборотный; на панель

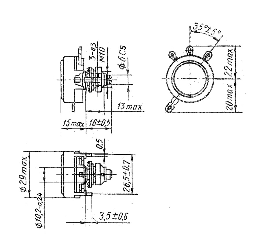
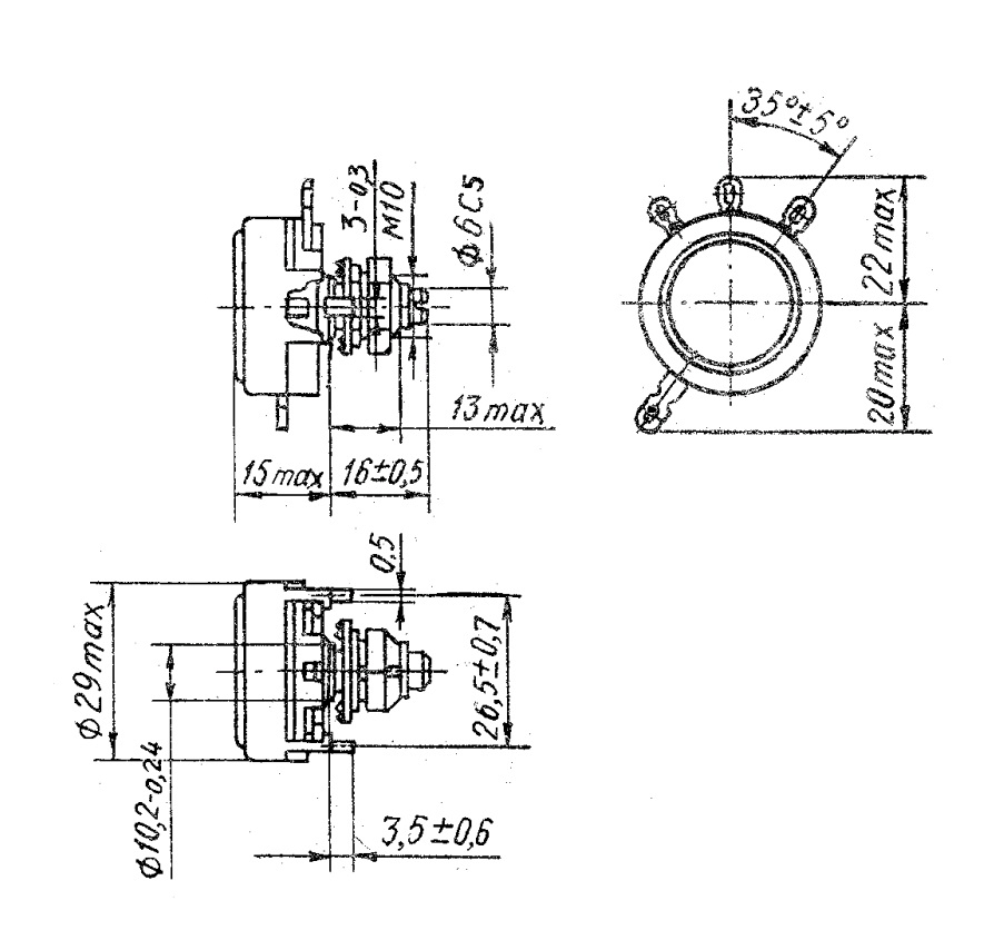
СП-2(II) 1Вт 470Ом±20%-А, ВС2-16 Резистор переменный (потенциометр), непроволочный, регулировочный, цилиндричекий, одинарный, однооборотный. Предназначен для работы в электрических цепях постоянного, переменного и импульсного токов. СП-2(II) - одинарный подстроечный или регулировочный со стопорением оси. Номинальная мощность: 1 W. Номинальное сопротивление: 470 Ω. Допустимое отклонение: ±20%. Функциональная характеристика: А - линейная. ВС2-16: вал 16 мм сплошной с шлицем. Вся дополнительная информация находится во вложении (см. pdf - файл).    

Подробнее
Заметили
ошибку ?
Сообщите нам

Общая информация

Наименование СП-2(II) 1W(Ватт) 470 Ω(Ом)±20%-А, ВС2-16 сплошной с шлицем Резистор переменный (потенциометр)
Торговая марка ПО Омега, Унеча, Брянская обл.
Страна происхождения СССР
ТУ ГОСТ 5574-73
Нормы и требования ГОСТ 5574-73
Вид приемки i "1"- ОТК
Масса изделия, гр 22,65
Транслитерация SP-II 1W 470 Ω±20%-A,VS2-16
Вид упаковки полиэт. пакет
Состояние упаковки самоупаковка
Страна изготовления СССР
Дата изготовленияi 1959-1991

Основные параметры

Функциональная группа Резистор переменный (потенциометр)
Функциональный тип потенциометр (регулировочный)
Серия резисторов СП-2
Функциональная характеристика А - линейная
Фактическая маркировка СП-II А-1Вт-II К47В
Габаритные размеры L*W*H 29х42x31 mm
Диаметр корпуса 29 mm
Высота корпуса 15 mm
Длина вала (длина выступающей части) 16 mm
Пределы номинального сопротивления от 470Ω до 4,7MΩ
Режим работы непрерывный, импульсный
Цвет изделия серый
Вид вала i ВС-2-16 сплошной с шлицем
Материал выводов Cu (медь)
Материал корпуса металл
Установочные размеры 10,2 mm
Вид выводов лепесток
Покрытие выводов лужение
Количество выводов 3
Шаг выводов 10 mm
Количество оборотов однооборотный
Метод монтажа механический на панель
Метод монтажа электрический пайка
Дополнительные характеристики цилиндрический одинарный со стопорением оси
Материал резистивного элемента графит (углерод)
Диаметр вала (оси) выступающей части 6 mm
Вид потенциометра вертикальный

Технические характеристики

Номинальное сопротивление 470 Ω
Единицы измерения сопротивления Ω (Ом)
Допустимое отклонение ±20%
Номинальная мощность 1 W
Макс. или предельное рабочее напряжение 500 V
ТКС - температурный коэффициент сопротивления ±1000×10⁻⁶/1°C
Сопротивление изоляции 5000 MΩ
Уровень шумов не более 4 mkV/V
Полный угол поворота оси 255°
Ударные нагрузки одиночн. с ускорением 500 g
Ударные нагрузки многократн. с ускорением 150 g
Линейные нагрузки с ускорением 50 g

Условия эксплуатации

Минимальная наработка 10 000 час.
Ресурс 25000 циклов
Интервал рабочих температур от -60 до +100°С
Относительная влажность 98% при температуре +35°С
Атмосферное давление до 1,3 Pa
Диапазон частот 2000
Климатическое исполнениеi УХЛ
Минимальный срок сохраняемости, лет 12

Полные аналоги

СП-2(II) 1W(Ватт) 470Ω(Ом)±20%-А, ВС2-16 Резистор переменный (потенциометр),, фото
Артикул (ID): TM-4137
СП-2(II) 1W(Ватт) 470Ω(Ом)±20%-А, ВС2-16 Резистор переменный (потенциометр),
СП-2(II) 1Вт 470Ом±20%-А, ВС2-16 ВЗР, фото
СП-2(II) 1Вт 470Ом±20%-А, ВС2-16 ВЗР
СП-2(II) 1Вт 470Ом±20%-А, ВС2-16 Северодонецкий завод сопротивлений , фото
СП-2(II) 1Вт 470Ом±20%-А, ВС2-16 Северодонецкий завод сопротивлений

Функциональные аналоги

СП-2(II) 1Вт 470Ом±30%-А, ВС2-16 ВЗР, фото
СП-2(II) 1Вт 470Ом±30%-А, ВС2-16 ВЗР
СП-2(II) 0,5Вт 470Ом±30%-А, ВС2-16 ОАО "Омега", фото
СП-2(II) 0,5Вт 470Ом±30%-А, ВС2-16 ОАО "Омега"
СП-2(II) 1Вт 680Ом±20%-А, ВС2-16 ВЗР, фото
СП-2(II) 1Вт 680Ом±20%-А, ВС2-16 ВЗР
СП-2(II) 0,5Вт 680Ом±20%-А, ВС2-16 Северодонецкий завод сопротивлений , фото
СП-2(II) 0,5Вт 680Ом±20%-А, ВС2-16 Северодонецкий завод сопротивлений

Возможные аналоги

СП3-12 0,25Вт 470Ом±30%-А з-д "Потенциал", фото
СП3-12 0,25Вт 470Ом±30%-А з-д "Потенциал"
СП3-12 0,25Вт 470Ом±30%-А ПО "Радиан", фото
СП3-12 0,25Вт 470Ом±30%-А ПО "Радиан"
СП3-30к 0,25Вт 470Ом±30%-A, ВС2-20 Завод "Потенциал", фото
СП3-30к 0,25Вт 470Ом±30%-A, ВС2-20 Завод "Потенциал"
Загрузка...
Принимаем заказы на товары,
не вошедшие в каталог

Пришлите маркировку необходимого вам товара.
Мы предоставим Вам наилучшие условия по поставке!

Оформить заявку

Похожие товары

Артикул (ID): TN-1789
СП-2(II) 1W(Ватт) 3,3kΩ(кОм)±20%-А, ВС2-16 сплошной с шлицем Резистор переменный (потенциометр)
  • 132 1 шт.
Артикул (ID): TN-2169
СП-1(I) 1W(Ватт) 22kΩ(кОм)-А, ВС3-32 с прямой лыской Резистор переменный (потенциометр)
Артикул (ID): TN-2225
СП-2(II) 2W(Ватт) 2,5MΩ(МОм)-A, ВС3-20 с прямой лыской Резистор переменный (потенциометр)
Артикул (ID): TN-2139
СП-2(II) 1W(Ватт) 2,2MΩ(МОм)±30%-А,ВС2-16 сплошной с шлицем Резистор переменный (потенциометр)
  • 132 1 шт.
  • 118 от 5 шт.
Артикул (ID): TN-2210
СП-1(I) 1W(Ватт) 330kΩ(кОм)-А, ВС2-12 сплошной с шлицем Резистор переменный (потенциометр)
  • 132 1 шт.
Артикул (ID): ZT-1395
3590S-2 2W(Ватт) 2kΩ(кОм)±5%-B, RE-20 сплошной с шлицем Резистор переменный (потенциометр),
  • 390.18 1 шт.
  • 390.18 от 10 шт.
  • 390.18 от 100 шт.
Артикул (ID): CC-12084
Потенциометр 3323P-102 (1К)
  • 2.81 1 шт.
Артикул (ID): CC-12085
Потенциометр 3296P-681 (680R)
  • 7.28 1 шт.
Артикул (ID): CC-12086
Резистор переменный 3329P-471 (470R)
  • 4.55 1 шт.
Артикул (ID): CC-12087
Потенциометр 3006P-500 (50R)
  • 4.33 1 шт.
Артикул (ID): CC-12088
Потенциометр 3296X-221 (220R)
  • 2.32 1 шт.
Артикул (ID): CC-12089
Потенциометр 3323P-204 (200K)
  • 11.65 1 шт.
Артикул (ID): CC-12090
Потенциометр WH112A-1-203 (20K)
  • 0.73 1 шт.
Артикул (ID): CC-12134
Резистор переменный СП3-19Б 47K 10%
  • 63.9 1 шт.
Артикул (ID): CC-12135
Резистор переменный СП3-19А 330К 20%
  • 6.8 1 шт.

Недавно просмотренные товары

Принимаем к оплате
IP Electron в соцсетях