70 085 товаров в наличии и на заказ

Электронные компоненты и расходные материалы

$
Настройка отображения валюты
Полный каталог
Скидка на Конденсаторы
-20%

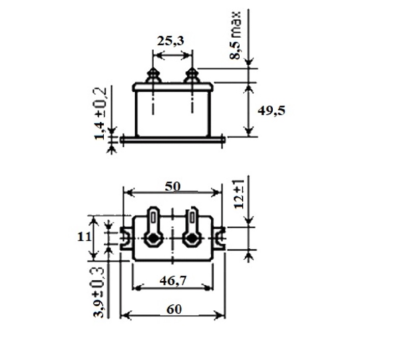
МБГО-2 4мкФ±10% 300V(Вольт) Конденсатор, ОЖО.462.124 ТУ (арт. KT-3966)

Конденсатор МБГО-2 4мкФ±10% 300В металлобумажный, герметизированный. Предназначен для формирования мощных импульсов тока разряда в нагрузке, обладает высокой энергоемкостью. Выпускаются в металлических прямоугольных корпусах, герметизированных пайкой, с лепестковыми выводами. Номинальное напряжение 300В, номинальная емкость 4мкФ. Вся дополнительная информация находится во вложении на товар, см.

Подробнее
Заметили
ошибку ?
Сообщите нам

Общая информация

Наименование МБГО-2 4мкФ±10% 300V(Вольт) Конденсатор, ОЖО.462.124 ТУ
Торговая марка ОАО завод МЕЗОН, Санкт-Петербург
Страна происхождения СССР
Дата выпуска 1964
Вид приемки i "1"- ОТК
ТУ ОЖО.462.124 ТУ
Масса изделия, гр 49,5
Состояние упаковки самоупаковка
Транслитерация MBGO-2 4mkF±10% 300V(Volt) Capacitor, OZHO.462.124 TU
Наличие паспорта - этикетки нет

Основные параметры

Функциональная группа Конденсатор металлобумажный
Функциональный тип герметизированный
Типоразмер корпуса отечественный МБГО-2(MBGO-2)
Фактическая маркировка МБГО 4мкФ±10% 300В
Конструктивные особенности планка для крепления
Конструкция выводов, контактов лепесток
Герметичность герметизированный
Материал выводов, контактов латунь
Покрытие выводов или контактов луженые(олово)
Материал корпуса металл
Покрытие корпуса краска
Габаритные размеры L*W*H 60х12х59,4mm
Высота корпуса 49,5 mm
Метод монтажа механический
Рабочее положение любое
Цвет изделия серый
Серия конденсатора МБГО

Технические характеристики

Номинальное напряжение 300 V
Сопротивление изоляции 10 000 MΩ
Номинальная емкость 4µF
Допустимое отклонение емкостиi ±10 %
Тангенс угла потерь 0,025

Условия эксплуатации

Минимальная наработка 20 000 час.
Минимальный срок сохраняемости, лет 10
Интервал рабочих температур от -60 до +60°С
Относительная влажность 98% при температуре +25°С
Климатическое исполнениеi УХЛ
Срок отгрузки со склада 1 день (в наличии)
Загрузка...
Принимаем заказы на товары,
не вошедшие в каталог

Пришлите маркировку необходимого вам товара.
Мы предоставим Вам наилучшие условия по поставке!

Оформить заявку

Похожие товары

Артикул (ID): SN-5652
МБГО-1 10мкФ±10% 160В Конденсатор
Артикул (ID): BN-7131
МБГП-2 2мкФ±5% 630В Конденсатор
  • 311 1 шт.
Артикул (ID): SN-5693
МБГТ 1мкФ±10% 160В Конденсатор
  • 239 1 шт.
Артикул (ID): TM-6931
МБГО-1 1мкФ±10% 400В Конденсатор
  • 54 1 шт.
Артикул (ID): TM-9841
CBB61 1uF 450V (SAIFU) Конденсатор.
  • 36 1 шт.
  • 34 от 10 шт.
Артикул (ID): TB-9082
К40У-9 6800 пф ±10% 630В Конденсатор, ОЖО.462.105 ТУ
  • 104 1 шт.
Артикул (ID): TB-9147
МБГП-1 10мкФ±10% 630В Конденсатор, ОЖ0.462.144 ТУ
  • 1035 1 шт.
Артикул (ID): KK-12866
К42-11-125-10 мкФ|||1988|Кузнецк|з/уп,10%
  • 85 1 шт.
Артикул (ID): KK-12870
МБГЧ-1-1-500-1 мкФ|||1988|Поликонд|10%"
  • 62.9 1 шт.
Артикул (ID): TF-94
МБМ 1мкФ±10% 160В Конденсатор, ОЖО.462.147 ТУ, 1992г
  • 41 1 шт.
Артикул (ID): TF-612
ОКБГ-И 0,03мкФ±10% 400В Конденсатор ОЖ0.462.107 ТУ
  • 131 1 шт.
Артикул (ID): KK-15496
МБГО-1-160-4 мкф||5|1990|Никонд|10%,з/уп"
  • 23.8 1 шт.
Артикул (ID): KK-15497
МБГО-1-160-4 мкф||5|1991|Никонд|10%,з/уп"
  • 23.8 1 шт.
Артикул (ID): CC-11698
15 типов, набор алюминиевых конденсаторов, 1 мкФ-4700 мкф 105℃
  • 1199.72 1 шт.
Артикул (ID): CC-11708
Электролитические конденсаторы. 24 наименования 1UF-4700UF
  • 1845.73 1 шт.

Недавно просмотренные товары

Принимаем к оплате
IP Electron в соцсетях