70 765 товаров в наличии и на заказ

Электронные компоненты и расходные материалы

$
Настройка отображения валюты
Полный каталог
Скидка на Конденсаторы
-20%

TOP224YN TO-220 Микросхема (арт. BV-6653)

TOP224YN TO-220 Микросхема представляет собой ШИМ-контроллер второго поколения микросхем семейства TOPSwitch. Предназначена для построения простых и эффективных импульсных источников питания с выходной мощностью 75 Вт. Тип корпуса: TO-220. Диапазон рабочих температур: от -40°C до +105°C. Вся дополнительная информация находится во вложении на товар, см. pdf - файл.

Подробнее
Заметили
ошибку ?
Сообщите нам

Общая информация

Наименование TOP224YN TO-220 Микросхема
Торговая марка Power Integrations
Страна происхождения СОЕДИНЕННЫЕ ШТАТЫ АМЕРИКИ
Масса изделия, гр 2,02
Дата выпуска дата не указана
Наличие паспорта - этикетки нет
Состояние упаковки самоупаковка

Основные параметры

Функциональная группа Интегральная схема
Функциональный тип микросхема
Типоразмер корпуса TO-220
Материал корпуса пластик
Покрытие корпуса без покрытия
Покрытие выводов или контактов лужение
Количество выводов или контактов 3
Метод монтажа пайка
Рабочее положение любое
Фактическая маркировка TOP224YN
Цвет изделия черный
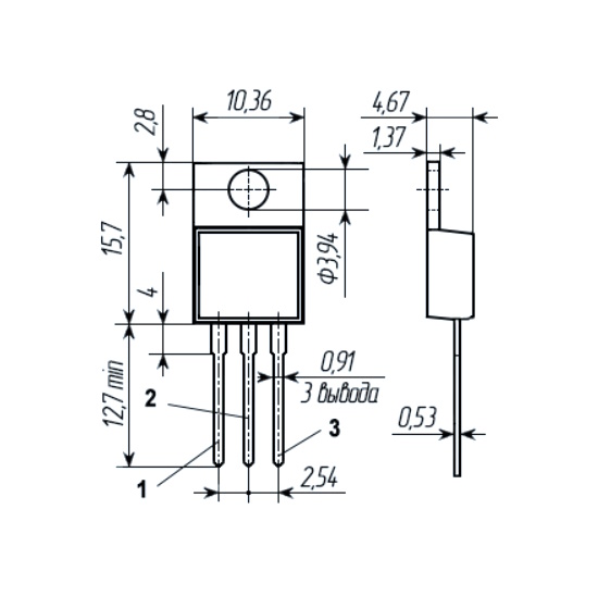
Габаритные размеры L*W*H 10,36х4,67х28,4 mm
Длина корпуса 10,36 mm
Ширина корпуса 4,67 mm
Высота корпуса 15,7 mm
Длина выводов 12,7mm

Технические характеристики

Время включения 100 ns
Время выключения 50 ns
Напряжение питания 36 V
Ток питания 100 mA
Сопротивление 15 Ω
Мощность 75 W

Условия эксплуатации

Интервал рабочих температур от -40 до +105°C
Загрузка...
Принимаем заказы на товары,
не вошедшие в каталог

Пришлите маркировку необходимого вам товара.
Мы предоставим Вам наилучшие условия по поставке!

Оформить заявку

Похожие товары

Артикул (ID): ZP-6508
ADUM1401ARWZ-RL (RP) Микросхема
  • 194.43 1 шт.
  • 194.43 от 10 шт.
  • 194.43 от 100 шт.
Артикул (ID): ZK-5764
LM324DT Микросхема
  • 8.13 1 шт.
  • 8.13 от 10 шт.
  • 8.13 от 100 шт.
Артикул (ID): TT-04618
TDA2030AL-TB5-T(TDA2030AL TO-220B)микросхема UTC
  • 26.73 1 шт.
Артикул (ID): TT-04617
TDA2030A(UTC2030A),TO-220-5, микросхема RUME
  • 19.38 1 шт.
Артикул (ID): TT-04616
TDA2030A (UTC2030A),TO-220-5, микросхема
  • 28.98 1 шт.
Артикул (ID): TT-04615
TDA2003(CV2003CZ), TO-220-5, микросхема
  • 20.66 1 шт.
Артикул (ID): TT-04614
NE555DR, SO8 Прецизионный таймер, TI
  • 6.77 1 шт.
Артикул (ID): TT-04592
PIC18F26K22-I/ML, 28-QFN (6x6), IC MCU 8BIT 64KB FLASH 28QFN, MCHP
  • 527.49 1 шт.
Артикул (ID): TT-04591
PIC10F322T-I/OT, SOT-23-6, MCHP
  • 95.94 1 шт.
Артикул (ID): TT-04590
M24C01-WMN6TP, SO8-150, память STM
  • 15.3 1 шт.
Артикул (ID): TT-04589
CY62256NLL-55SNXI, 28-SOIC, CYP микросхема
  • 360.83 1 шт.
Артикул (ID): TT-04580
TPS3824-33DBVR, SOT23-5, ИС логическая, Формирователь импульса (сброса), TI
  • 74.13 1 шт.
Артикул (ID): TT-04579
MCP101T-475I/TT, Монитор питания, MICROCHIP
  • 75.23 1 шт.
Артикул (ID): TT-04578
HEF4093BT SO14 NXP микросхема HEF4093BT,653
  • 12.75 1 шт.
Артикул (ID): TT-04577
HEF4051BT SO16 NXP микросхема
  • 15.21 1 шт.

Недавно просмотренные товары

Принимаем к оплате
IP Electron в соцсетях