68 360 товаров в наличии и на заказ

Электронные компоненты и расходные материалы

$
Настройка отображения валюты
Полный каталог
Скидка на Резисторы переменные (Потенциометры)
-20%

564ИЕ10 Микросхема, Ni. бК0.347.064ТУ9 (арт. TB-8394)

Цифровая микросхема серии КМОП. Микросхемы 564ИЕ10 представляют собой два четырехразрядных счетчика. Предназначены для применения в радиоэлектронной аппаратуре специального назначения. Расшифровка условного обозначения 564ИЕ10: 5 - полупроводниковая микросхема; 64 - цифры, определяют номер разработки конкретного типа исполнения. В совокупности второй и третий элементы обозначают номер серии; ИЕ - счётчики цифровых устройств; 10 - цифра определяет условный номер разработки микросхемы в данной серии по определённому функциональному признаку. Вся дополнительная информация находится во вложении на товар, см. pdf – файл

Подробнее
Заметили
ошибку ?
Сообщите нам

Общая информация

Наименование 564ИЕ10 Микросхема, Ni. бК0.347.064ТУ9
Торговая марка ПО Восход, Калуга
Страна происхождения РОССИЯ
ТУ бК0.347.064 ТУ9
Вид приемки i "5"- ВП, ПЗ
Масса изделия, гр 1,9
Дата выпуска 2007
Наличие паспорта - этикетки нет
Транслитерация 564IE10 Microcircuit, nickel bK0.347.064TU9 2020
Вид упаковки картонная коробка (9шт)
Состояние упаковки заводская

Основные параметры

Функциональная группа Стандартная логика
Функциональный тип счетчик
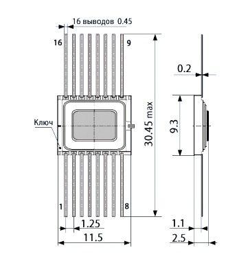
Типоразмер корпуса отечественный 402.16-33
Материал корпуса металлокерамика
Материал выводов, контактов латунь
Покрытие выводов или контактов Ni (никель)
Метод монтажа SMD (поверхностный)
Рабочее положение любое
Фактическая маркировка 1КИЕ10
Цвет изделия белый
Габаритные размеры L*W*H 12х30х2 mm
Высота корпуса 9,3 mm
Длина выводов 10 mm

Технические характеристики

Выходной ток низкого уровня не менее 0,9 mA; высокого уровня не менее 0,5 mA
Входной ток высокого уровня не более 0,05µA; низкого уровня не более 0,05µA
Ток потребления не более 10 µA
Время задержки распространения не более 330 ns
Выходное напряжение низкого уровня не более 0,01 V; высокого уровня не менее 9,99 V

Условия эксплуатации

Интервал рабочих температур от -60 до +125°C
Климатическое исполнениеi УХЛ
Загрузка...
Принимаем заказы на товары,
не вошедшие в каталог

Пришлите маркировку необходимого вам товара.
Мы предоставим Вам наилучшие условия по поставке!

Оформить заявку

Недавно просмотренные товары

Принимаем к оплате
IP Electron в соцсетях