59 108 товаров в наличии и на заказ

Электронные компоненты и расходные материалы

$
Настройка отображения валюты
Полный каталог
Скидка на  Переключатели галетные
-20%

140УД8А Микросхема, бKО.348.095 14 ТУ(арт. TN-952)

Микросхемы К140УД8А представляют собой операционные усилители средней точности, имеющие на выходе полевые транзисторы с p-n переходом и р-каналом, с внутренней частотной коррекцией и малыми входными токами. Произведены по биполярной технологии и предназначены для работы в радиоэлектронной аппаратуре общего назначения. Расшифровка маркировки К140УД8А:  К - для использования в аппаратуре народнохозяйственного назначения;  1 - полупроводниковая микросхема; 40 - цифры, определяют номер разработки конкретного типа исполнения; УД - усилители операционные; 8 - цифра определяет условный номер разработки микросхемы в данной серии по определённому функциональному признаку; А - буква указывает на различие микросхем одного типа по электрическим параметрам, конструктивному исполнению или по температурному диапазону. Вся дополнительная информация находится во вложении на товар, см. pdf – файл

Подробнее
Заметили
ошибку ?
Сообщите нам

Общая информация

Наименование 140УД8А Микросхема, бKО.348.095 14 ТУ
Торговая марка ГАО ТОНДИ-ЭЛЕКТРОНИКА, Таллинн
Страна происхождения СССР
ТУ бKО.348.095 14 ТУ
Вид приемки i "5"- ВП, ПЗ
Масса изделия, гр 1
Дата выпуска 1987-1988
Наличие паспорта - этикетки нет
Транслитерация 140UD8A Microcircuit, bKO.348.095 14 TU
Состояние упаковки самоупаковка

Основные параметры

Функциональная группа Усилитель
Функциональный тип Операционный усилитель
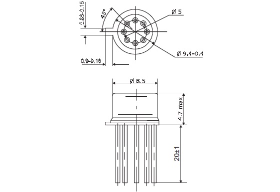
Типоразмер корпуса отечественный 301.8-2
Материал выводов, контактов латунь
Покрытие выводов или контактов Au (золото)
Количество выводов или контактов 12
Метод монтажа на плату
Рабочее положение любое
Фактическая маркировка 140УД8А
Цвет изделия серый
Габаритные размеры L*W*H 24,7х9х9 mm
Высота корпуса 4,7 mm
Длина выводов 20 mm

Технические характеристики

Напряжение питания не более ±16,5 V
Ток потребления не более 5 mA
Входной ток не более 2 nA

Условия эксплуатации

Интервал рабочих температур от -45 до +70°C
Загрузка...
Принимаем заказы на товары,
не вошедшие в каталог

Пришлите маркировку необходимого вам товара.
Мы предоставим Вам наилучшие условия по поставке!

Оформить заявку

Похожие товары

Артикул (ID): ZA-7529
1401УД2 Микросхема (201*г)
  • 10445.76 1 шт.
  • 10445.76 OZON.
Артикул (ID): KK-14154
1401 УД2А|Au||2005|Квазар|
  • 1980 1 шт.
  • 1980 OZON.
Артикул (ID): KK-14153
1401 СА1|Au||2004|ОКБ Фотон|
  • 2160 1 шт.
  • 2160 OZON.
Артикул (ID): KK-14144
КР 544 УД2А|||2019|Микро-М|W тубы,этик.+пасп.
  • 140.4 1 шт.
  • 140.4 OZON.
Артикул (ID): KK-14143
К 544 УД2А|Ni||2023|Микро-М|W з/уп
  • 788.4 1 шт.
  • 788.4 OZON.
Артикул (ID): KK-14142
КР 544 УД1А|||2023|Микро-М|W тубы,этик.+пасп.
  • 153 1 шт.
  • 153 OZON.
Артикул (ID): KK-14141
К 544 УД1А|Ni||2022|Микро-М|W з/уп
  • 630 1 шт.
  • 630 OZON.
Артикул (ID): KK-14140
544 УД1А|Au|9|2000|Восток|
  • 756 1 шт.
  • 756 OZON.
Артикул (ID): KK-13829
1485 ХК4Т|Au||2018|Ангстрем|
  • 3780 1 шт.
  • 3780 OZON.
Артикул (ID): KK-13828
1485 ХК3У|Au||2018|Ангстрем|
  • 4500 1 шт.
  • 4500 OZON.
Артикул (ID): KK-13827
1467 СА1Т|Au||2023|Интеграл|
  • 7560 1 шт.
  • 7560 OZON.
Артикул (ID): KK-13826
1401 СА1|Au||2023|Микрон|
  • 4500 1 шт.
  • 4500 OZON.
Артикул (ID): KK-13825
1401 СА1|Au||2022|ОКБ Фотон|
  • 4140 1 шт.
  • 4140 OZON.
Артикул (ID): TF-551
КР140УД708 DIP8 Микросхема, бКО.348.095-04 ТУ
  • 75 1 шт.
  • 75 OZON.
Артикул (ID): ZL-6418
AD8603AUJZ-REEL7 Микросхема
  • 150.37 1 шт.
  • 125.31 от 10 шт.
  • 125.31 от 100 шт.
  • 150.37 OZON.

Недавно просмотренные товары

Принимаем к оплате
IP Electron в соцсетях