74 081 товара в наличии и на заказ

Электронные компоненты и расходные материалы

$
Настройка отображения валюты
Полный каталог
Скидка на Конденсаторы
-20%

6П44С Пентод. (арт. SN-9269)

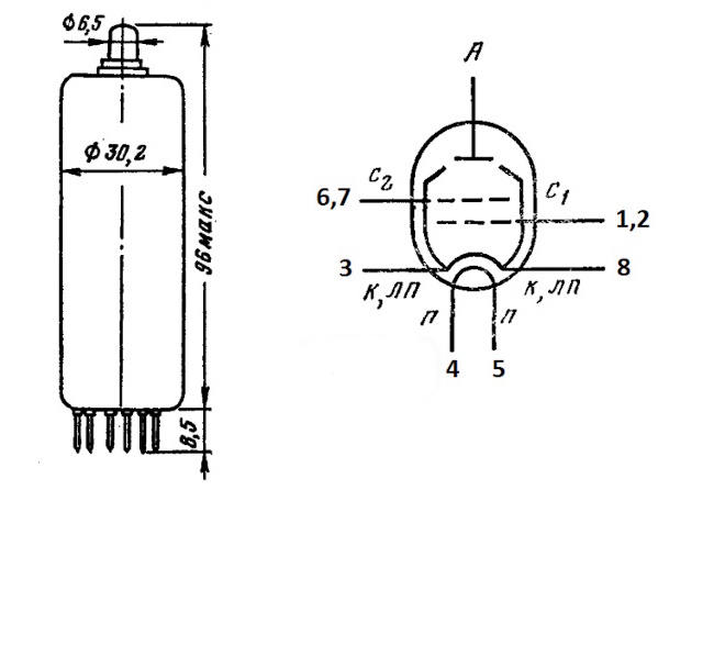
Радиолампа 6П44С - Выходной низкочастотный пентод. Предназначен для работы в схемах строчной развертки телевизионных устройств. Расшифровка маркировки выходного пентода: 6П44С 6 - число, указывающее округлённое значение напряжение накала лампы в вольтах; П - буква, определяющая тип лампы: П - выходной пентод или выходной лучевой тетрод; 44 - число порядкового номера разработки данного типа лампы; С - буква, характеризующая конструктивное оформление: С - лампа в стеклянной оболочке, с цоколем или без цоколя, диаметром баллона более 22,5 мм. Вся дополнительная информация находится во вложении на товар, см. pdf - файл.

Подробнее
Заметили
ошибку ?
Сообщите нам

Общая информация

Наименование 6П44С Пентод.
Торговая марка АООТ РЕФЛЕКТОР, Саратов
Страна происхождения СССР
ТУ СД3.300.097ТУ.
Вид приемки i "1"- ОТК
Масса изделия, гр 40,5
Дата выпуска 1974 - 1986 гг
Транслитерация 6P44C Pentode.
Наличие паспорта - этикетки нет
Вид упаковки самоупаковка

Основные параметры

Функциональная группа Электровакуумный прибор
Функциональный тип пентод
Фактическая маркировка 6П44С
Материал корпуса стекло
Метод монтажа в ламповую панель
Габаритные размеры L*W*H 97х30,2 mm
Диаметр корпуса 30,2 mm
Форма колбы цилиндрическая

Технические характеристики

Цоколь РШ24
Напряжение накала 5,7 - 7 V
Напряжение на аноде 50 V
Ток накала 1,35 ±0,15 A
Ток в цепи анода 100±30 mA

Условия эксплуатации

Минимальная наработка 1500 час.
Загрузка...
Принимаем заказы на товары,
не вошедшие в каталог

Пришлите маркировку необходимого вам товара.
Мы предоставим Вам наилучшие условия по поставке!

Оформить заявку

Недавно просмотренные товары

Принимаем к оплате
IP Electron в соцсетях