67 344 товаров в наличии и на заказ

Электронные компоненты и расходные материалы

$
Настройка отображения валюты
Полный каталог
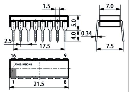
К561ЛН1А Микросхема, бК0.348.457-04ТУ фото

К561ЛН1А Микросхема, бК0.348.457-04ТУ

Микросхемы К561ЛН1А представляют собой шесть логических элементов НЕ с блокировкой и запретом. ИС могут применяться для организации работы на общую нагрузку и для согласования с ТТЛ-схемами, так как имеют на выходе мощные каскады. Предназначены для работы в узлах и блоках радиоэлектронной аппаратуры общего назначения. Расшифровка маркировки полупроводниковой микросхемы: К561ЛН1А К - для использования в аппаратуре народнохозяйственного назначения; 5 - полупроводниковая микросхема; 61 - цифры, определяют порядковый номер разработки. В совокупности второй и третий элемент обозначает номер конкретной серии; ЛН - логические элементы «НЕ»; 1 - цифра определяет порядковый номер разработки микросхемы в конкретной серии (среди микросхем одного вида); А - буква, которая определяют разброс (разницу) электрических параметров микросхем одного типа. Вся дополнительная информация находится во вложении на товар, см. pdf - файл.

Возврат к списку

Принимаем к оплате
IP Electron в соцсетях