58 983 товаров в наличии и на заказ

Электронные компоненты и расходные материалы

$
Настройка отображения валюты
Полный каталог
Скидка на  Переключатели перекидные (Тумблеры)
-20%

T83A420X (B88069X7960) 10kA(Килоампер) 420V(Вольт) Разрядник трехэлектродный(арт. ZX-1353)

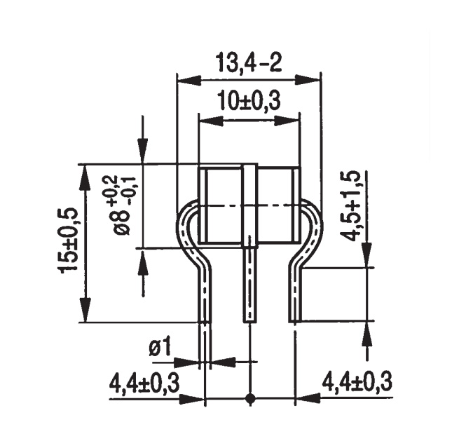
T83A420X (B88069X7960) 10kA/10A 420V Разрядник на статическое напряжение пробоя 350В и током анода в импульсе не более 10кА. Структура условного обозначения: T83C - тип разрядника; 10kA - импульсный ток разряда; 10A - ток разряда для переменного напряжения 50 Гц (1c); 420V - напряжение пробоя. Газовый разрядник выполнен из трех электродов в корпусе, наполненном инертным газом при регулируемом давлении. Корпус представляет собой керамическую трубку, концы которой закрыты металлическими колпачками, которые также служат электродами. Их основное применение заключается в защите телекоммуникационных линий, но возможны и другие применения. Вся дополнительная информация находится во вложении на товар, см. pdf - файл.

Подробнее
Заметили
ошибку ?
Сообщите нам

Общая информация

Наименование T83A420X (B88069X7960) 10kA(Килоампер) 420V(Вольт) Разрядник трехэлектродный
Торговая марка RUICHI
Дата изготовленияi дата не указана
Страна изготовления КИТАЙ
Нормы и требования IEC 61643-311

Основные параметры

Функциональная группа Устройства защиты
Функциональный тип Разрядники
Серия разрядников T83
Тип разрядника газовый
Конструктивное исполнение разрядника выводной
Метод монтажа механический в плату
Метод монтажа электрический пайка
Количество выводов 3
Тип вывода радиальный
Материал выводов латунь
Покрытие выводов (Ni) никель
Цвет корпуса белый
Материал корпуса керамика
Размеры корпуса L*W*H 8х10 mm
Покрытие корпуса без покрытия
Габаритные размеры L*W*H 13,4х8х15 mm

Технические характеристики

Импульсный ток разряда 10 kA
Напряжение пробоя 420 V
Сопротивление изоляции, min 500 MΩ
Межэлектродная емкость max 1,5 mkF
Ток разряда для переменного напряжения 10 A

Условия эксплуатации

Интервал рабочих температур от -40 до +90°С
Ресурс 10 импульсов (min)
Загрузка...
Принимаем заказы на товары,
не вошедшие в каталог

Пришлите маркировку необходимого вам товара.
Мы предоставим Вам наилучшие условия по поставке!

Оформить заявку

Похожие товары

Артикул (ID): TM-1429
Р-64 1kA(Килоампер) 900V(Вольт) Разрядник неуправляемый.
  • 1755 1 шт.
Артикул (ID): KP-2
M51A230X (B88069X2930) 5kA(Килоампер) 230V(Вольт) Разрядник двухэлектродный.
  • 20 1 шт.
Артикул (ID): ZX-1347
T83A230X (B88069X8910) 10kA(Килоампер) 230V(Вольт) Разрядник трехэлектродный
  • 58.27 1 шт.
  • 48.56 от 10 шт.
  • 48.56 от 100 шт.
Артикул (ID): ZK-2776
K3RP090L-8 20kA(Килоампер) 90V(Вольт) Разрядник трехэлектродный
  • 93.8 1 шт.
  • 78.17 от 10 шт.
  • 78.17 от 100 шт.
Артикул (ID): KT-4301
A81A150X (B88069X2840) 20kA(Килоампер), 150V(Вольт) Разрядник двухэлектродный
  • 38 1 шт.
  • 35 от 10 шт.
Артикул (ID): KK-09419
Р-64||5|1991|Рязань|з/уп
  • 540 1 шт.
Артикул (ID): KK-09420
Р-64||5|2016|Рязань|з/уп
  • 1404 1 шт.
Артикул (ID): KK-09421
Р-64||5|2017|Рязань|з/уп
  • 1476 1 шт.
Артикул (ID): KK-09422
Р-64М|ст.||||многосекц-й, отл.сост.
  • 180 1 шт.
Артикул (ID): KK-09423
Р-155|||2011||пасп.
  • 972 1 шт.
Артикул (ID): KK-09424
РБ-2||5|1991||
  • 63 1 шт.
Артикул (ID): KK-09425
РР-158-1||5|1991||з/уп
  • 1368 1 шт.
Артикул (ID): KK-09426
РР-158-1||5|1992||з/уп
  • 1440 1 шт.
Артикул (ID): KK-09427
РР-158-2||5|1991||з/уп
  • 1440 1 шт.
Артикул (ID): KK-09428
РР-185||5|1988||
  • 3600 1 шт.

Недавно просмотренные товары

Принимаем к оплате
IP Electron в соцсетях