69 446 товаров в наличии и на заказ

Электронные компоненты и расходные материалы

$
Настройка отображения валюты
Полный каталог
Скидка на Резисторы переменные (Потенциометры)
-20%

S1035-3 10A(Ампер) 32V(Вольт) Предохранитель автомобильный, RUICHI (арт. KT-3209)

RUICHI; макси; красный; 12,15 mm

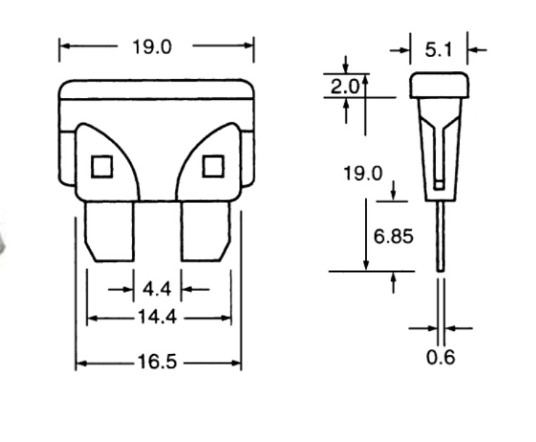
Предохранитель RUICHI S1035-3 10A 32V "макси" флажкового типа, предназначен для защиты сети и электроприборов от скачков электричества, короткого замыкания и чрезмерных перегрузок. Расшифровка: S1035-3 – Серия предохранителя; 10A – Номинальный ток; 32V – Номинальное напряжение. Предохранители RUICHI относятся к виду плавких, в своей основе они состоят из легкоплавкого элемента (плавкая вставка изготовлена из высококачественного сплава цинка). Замену предохранителей стоит осуществлять только при отключенном питании сети. Номиналы предохранителей автомобильных S1035-3 отличаются по цвету корпуса. Вся дополнительная информация находится во вложении на товар, см. pdf – файл.

Подробнее
Заметили
ошибку ?
Сообщите нам

Общая информация

Наименование S1035-3 10A(Ампер) 32V(Вольт) Предохранитель автомобильный, RUICHI
Торговая марка RUICHI
Страна изготовления КИТАЙ
Дата изготовленияi дата не указана
Масса изделия, гр 0,7
Наличие паспорта - этикетки нет
Вид упаковки полиэт. пакет (250шт)
Состояние упаковки заводская

Основные параметры

Функциональная группа Устройства защиты
Функциональный тип предохранитель автомобильный
Серия предохранителя S1035-3
Типоразмер вставки плавкой макси
Материал корпуса полиамид
Вид контактов ножевые
Материал контактов латунь
Покрытие контактов Ni (никель)
Метод монтажа в держатель
Тип держателя предохранителя S1038-1, S1038-2, S1038-3, S1038-4, S1038-5, S1038-6, S1038-7 (на провод), S1039-3 (на панель)
Цвет корпуса красный
Высота корпуса 12,15 mm
Габаритные размеры L*W*H 19х5,1х21 mm

Технические характеристики

Номинальный ток 10 A
Номинальное напряжение 32 V

Условия эксплуатации

Интервал рабочих температур от -40 до +125°С
Загрузка...
Принимаем заказы на товары,
не вошедшие в каталог

Пришлите маркировку необходимого вам товара.
Мы предоставим Вам наилучшие условия по поставке!

Оформить заявку

Похожие товары

Артикул (ID): CC-11246
Предохранитель автомобильный Стандарт, 25А
  • 4.69 1 шт.
Артикул (ID): CC-05091
Предохранитель автомобильный Мини, 20А
  • 4.47 1 шт.
Артикул (ID): CC-05089
Предохранитель автомобильный Мини, 15А
  • 4.47 1 шт.
Артикул (ID): CC-05087
Предохранитель автомобильный Мини, 10А
  • 4.36 1 шт.
Артикул (ID): KT-3208
S1035-2 5A(Ампер) 32V(Вольт) Предохранитель автомобильный, RUICHI
  • 3 1 шт.
  • 3 от 10 шт.
Артикул (ID): KT-3207
S1035-2 20A(Ампер) 32V(Вольт) Предохранитель автомобильный, RUICHI
Артикул (ID): KT-3205
S1035-1 7,5A(Ампер) 32V(Вольт) Предохранитель автомобильный, RUICHI
  • 3 1 шт.
  • 3 от 10 шт.
  • 3 от 100 шт.
Артикул (ID): KT-3201
S1035-1 5(Ампер) 32V(Вольт) Предохранитель автомобильный, RUICHI
  • 3 1 шт.
  • 3 от 10 шт.
  • 3 от 100 шт.
Артикул (ID): KT-3198
S1035-1 20(Ампер) 32V(Вольт) Предохранитель автомобильный, RUICHI
  • 3 1 шт.
  • 3 от 10 шт.
  • 3 от 100 шт.
Артикул (ID): KT-3194
S1035-1 15(Ампер) 32V(Вольт) Предохранитель автомобильный, RUICHI
  • 3 1 шт.
  • 3 от 10 шт.
  • 3 от 100 шт.
Артикул (ID): KT-3192
S1035-1 10(Ампер) 32V(Вольт) Предохранитель автомобильный, RUICHI
  • 3 1 шт.
  • 3 от 10 шт.
  • 3 от 100 шт.
Артикул (ID): KP-8988
S1035-3 40A(Ампер) 32V(Вольт) Предохранитель автомобильный 2023
  • 3 1 шт.
  • 3 от 10 шт.
  • 3 от 100 шт.
Артикул (ID): KP-8758
S1035-2 15A(Ампер) 32V(Вольт) Предохранитель автомобильный, RUICHI
  • 3 1 шт.
  • 3 от 10 шт.
  • 3 от 100 шт.
Артикул (ID): ZT-9263
S1035-3 7,5A(Ампер) 32V(Вольт) Предохранитель автомобильный
  • 1.68 1 шт.
  • 1.68 от 10 шт.
  • 1.68 от 100 шт.
Артикул (ID): ZT-9262
S1035-3 5A(Ампер) 32V(Вольт) Предохранитель автомобильный
  • 1.68 1 шт.
  • 1.68 от 10 шт.
  • 1.68 от 100 шт.

Недавно просмотренные товары

Принимаем к оплате
IP Electron в соцсетях