69 557 товаров в наличии и на заказ

Электронные компоненты и расходные материалы

$
Настройка отображения валюты
Полный каталог
Скидка на Индикация и светодиоды
-20%

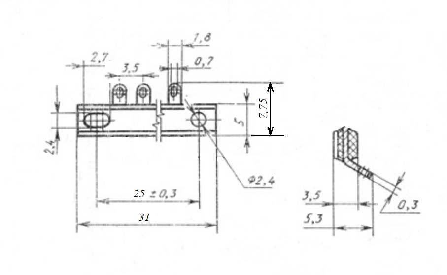
ПС3-6 1 ряд, 6 контактов, шаг 3,5 mm, 5 А (Ампер), 600 V (Вольт) Плата соединительная, карболит(арт. ZQ-8527)

ПC3-6 Плата соединительная, карболит. Структура условного обозначения: ПС - плата соединительная; 3 - цифра, определяющая на типоразмер платы; 6 - число, указывающее на количество пар контактов. Предназначена для соединения электрических цепей постоянного, переменного и импульсного тока при внутреннем объёмном монтаже радиоэлектронной аппаратуры. Соединительные платы используются как промежуточные переходные элементы для электрического соединения узлов и блоков аппаратуры общепромышленного и специального назначения. Вся дополнительная информация находится во вложении на товар, см. pdf – файл.

Подробнее
Заметили
ошибку ?
Сообщите нам

Общая информация

Наименование ПС3-6 1 ряд, 6 контактов, шаг 3,5 mm, 5 А (Ампер), 600 V (Вольт) Плата соединительная, карболит
Торговая марка No name Russia
Страна изготовления РОССИЯ
Масса изделия, гр 0,8
Дата изготовленияi дата не указана
Наличие паспорта - этикетки нет
Транслитерация PS3-6 12 pairs, 1 row, 6 contacts, 3.5 mm pitch, 5 A (Amps), 600 V (Volts) Connection board, carbolite
Состояние упаковки самоупаковка

Основные параметры

Функциональная группа Установочные изделия
Функциональный тип платы монтажные, соединительные
Серия плат ПС3
Способ подключения проводов пайка
Вид контактов лепесток
Количество контактов 6
Материал контактов латунь
Покрытие контактов лужение
Количество рядов контактов 1
Шаг контактов в ряду 3,5 mm
Метод монтажа механический на панель
Метод монтажа электрический пайка
Диаметр установочного отверстия 2,4 mm
Установочные размеры 25 mm расстояние между монтажными отверстиями
Материал изолятора карболит (фенопласт)
Габаритные размеры L*W*H 31х7,75х5,3 mm
Длина корпуса 31 mm
Ширина корпуса 7,75 mm
Цвет платы коричневый
Основание жесткое
Наличие прокладки для платы нет
Фактическая маркировка отсутствует
Рабочее положение любое
Аналогичные серии 4ПМ..., 4ПС…, ПС...
Другие наименования клеммная колодка, клеммная плата

Технические характеристики

Рабочее напряжение, max 600 V
Рабочий ток, max 5 A

Условия эксплуатации

Интервал рабочих температур от -60 до +100°C
Климатическое исполнениеi УХЛ
Загрузка...
Принимаем заказы на товары,
не вошедшие в каталог

Пришлите маркировку необходимого вам товара.
Мы предоставим Вам наилучшие условия по поставке!

Оформить заявку

Недавно просмотренные товары

Принимаем к оплате
IP Electron в соцсетях