64 361 товара в наличии и на заказ

Электронные компоненты и расходные материалы

$
Настройка отображения валюты
Полный каталог
Скидка на  Соединители
-20%

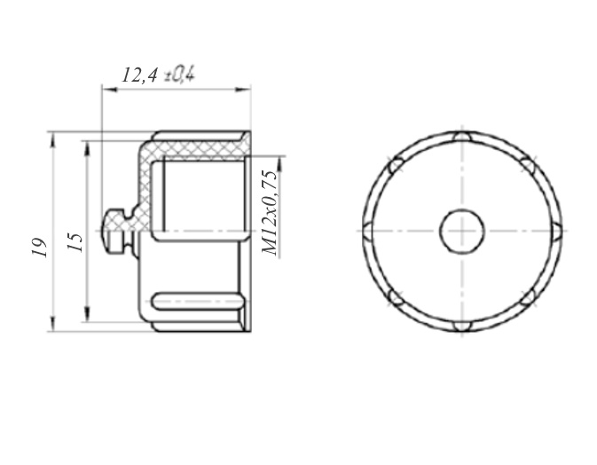
Заглушка блочная РЗМ12х0,75 для РС7 пластик, ГОСТ 25930-83(арт. TN-5135)

Адекор; М12х0,75; внутренняя резьба; РС7, РСГ7, МР1-19...; -; заглушка, крышка для разъемов...

Заглушка блочная РЗМ12х0,75 для РС7 пластик. Структура условного обозначения: РЗМ – тип заглушки (внутренняя резьба); 12х0,75 – размер резьбы. Заглушка предназначена для защиты контактной части соединителя от механических воздействий, попадания мусора, пыли и посторонних предметов при хранении, транспортировке и в иных условиях. Заглушка блочная РЗМ12х0,75 устанавливается на блочные соединители РС, РСГ, МР1… вместо ответных частей. Вся дополнительная информация находится во вложении на товар, см. pdf - файл.

Подробнее
Заметили
ошибку ?
Сообщите нам

Общая информация

Наименование Заглушка блочная РЗМ12х0,75 для РС7 пластик, ГОСТ 25930-83
Страна изготовления РОССИЯ
Торговая марка Адекор
Нормы и требования ГОСТ 25930-83
Дата изготовленияi дата не указана
Вид приемки i "1"- ОТК
Масса изделия, гр 1,82
Состояние упаковки самоупаковка
Транслитерация Block plug RZM12x0.75 for RS7 plastic, GOST 25930-83

Основные параметры

Функциональная группа Аксессуары для цилиндрических разъемов
Функциональный тип Заглушка разъемная
Серия заглушек РЗМ...
Исполнение заглушек Исполнение 1 (без крепления)
Типономинал / Типоконструкция заглушка блочная
Условный размер корпуса 12
Диаметр установочного отверстия d = 12 mm
Метод сочленения резьбовой
Вид резьбы внутренняя резьба
Размер резьбы М12х0,75
Взаимосочленение РС7, РСГ7, МР1-19...
Габаритные размеры L*W*H 19х12,4 mm
Диаметр корпуса 19 mm
Высота корпуса 12,4 mm
Материал корпуса пластик (ПА6 210/310)
Покрытие корпуса без покрытия
Цвет корпуса черный
Фактическая маркировка М12х0,75
Наличие паспорта - этикетки этикетка
Рабочее положение любое
Другие наименования заглушка, крышка для разъемов...
Аналогичные серии НВР8.057...

Условия эксплуатации

Интервал рабочих температур от -70 до +80°C
Макс. срок хранения 15 лет

Полные аналоги

Ф58.632.024-01 пластик RUICHI, фото
Ф58.632.024-01 пластик RUICHI
Заглушка блочная 12х0,75 пластик, фото
Заглушка блочная 12х0,75 пластик
РЗМ12х0,75, фото
РЗМ12х0,75

Функциональные аналоги

Ф58.632.024-01 АО Завод Копир, фото
Ф58.632.024-01 АО Завод Копир
Ф58.632.024-01 металл RUICHI, фото
Ф58.632.024-01 металл RUICHI
Заглушка блочная 12х0,75 металл, фото
Заглушка блочная 12х0,75 металл
Загрузка...
Принимаем заказы на товары,
не вошедшие в каталог

Пришлите маркировку необходимого вам товара.
Мы предоставим Вам наилучшие условия по поставке!

Оформить заявку

Похожие товары

Артикул (ID): TN-5134
Заглушка блочная РЗМ10х0,75 для РС4 пластик, ГОСТ 25930-83
Артикул (ID): TN-5149
Заглушка кабельная НРЗМ10х0,75/У для РС4 пластик, ГОСТ 25930-83
  • 57 1 шт.
  • 38 от 10 шт.
Артикул (ID): TN-5152
Заглушка кабельная Ф58.632.023-02 для РС10 металл, АШДК.434410.059ТУ.
  • 201 1 шт.
  • 185 от 10 шт.
  • 153 от 50 шт.
Артикул (ID): TN-5154
Заглушка кабельная НРЗМ12х0,75/У для РС7 пластик, ГОСТ 25930-83
  • 78 1 шт.
  • 72 от 10 шт.
Артикул (ID): TN-7382
Заглушка блочная РЗМ22х1,0 для РС32 пластик
  • 71 1 шт.
  • 65 от 10 шт.
Артикул (ID): KT-4197
Заглушка блочная ЭП-22 для СНЦ23 металл, с цепочкой, НКЦС.434410.112ТУ.
  • 4400 1 шт.
Артикул (ID): KT-4200
Заглушка блочная ЭП-14 для СНЦ23 металл, с цепочкой, НКЦС.434410.112ТУ
  • 4400 1 шт.
Артикул (ID): KT-4204
Заглушка кабельная ЭК-22 для СНЦ23 металл, с цепочкой, НКЦС.434410.112ТУ
  • 4400 1 шт.
Артикул (ID): KT-4207
Заглушка блочная ЭП-27 для СНЦ23 металл, с цепочкой, НКЦС.434410.112ТУ
  • 4400 1 шт.
Артикул (ID): KT-4258
Заглушка блочная ЭП-ОНЦ-14 для ОНЦ-БС-14 металл, с цепочкой, АШДК.434410.088ТУ
  • 4400 1 шт.
Артикул (ID): TB-7083
Заглушка блочная ЭП-ОНЦ-10 для ОНЦ-БС-10 металл, с цепочкой, АШДК.434410.088ТУ
Артикул (ID): ZZ-7133
FQ30-T-LID
  • 108.63 1 шт.
  • 90.53 от 10 шт.
Артикул (ID): ZZ-7136
FQ14-T-LID
  • 90.27 1 шт.
  • 75.23 от 10 шт.
Артикул (ID): TB-7210
Заглушка блочная РЗМ16х1,0 для 2РМ(Д)Т14 пластик
  • 74 1 шт.
Артикул (ID): TB-9930
Заглушка блочная ЭП-ОНЦ-12 для ОНЦ-БС-12 металл, с цепочкой, АШДК.434410.088ТУ
  • 5000 1 шт.
Принимаем к оплате
IP Electron в соцсетях