69 390 товаров в наличии и на заказ

Электронные компоненты и расходные материалы

$
Настройка отображения валюты
Полный каталог
Уважаемые клиенты, обращаем ваше внимание! Цены на сайте указаны без НДС!
Счета выставляются:
  • от ИП Павлов: с НДС 5% сверх цены, указанной на сайте
  • от ООО «Ай Пи Электрон» с 22% НДС сверх цены, указанной на сайте

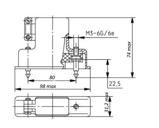
Кожух для РП10-42ЛУ-П-О угловой металлический без крепежа, бР0.364.025 ТУ(арт. BV-4812)

Кожух для РП10-42ЛУ-П-О угловой металлический без крепежа. Кожух предназначен для разъема РП10-42. Информация о наличии ловителей находится в карточке товара. Всю дополнительную информацию, см. pdf – файл.

Подробнее
Заметили
ошибку ?
Сообщите нам

Общая информация

Наименование Кожух для РП10-42ЛУ-П-О угловой металлический без крепежа, бР0.364.025 ТУ
Торговая марка ОАО «Карачевский завод «Электродеталь»
Страна изготовления СССР
Нормы и требования бР0.364.025 ТУ
Дата изготовленияi 1976-1991
Вид приемки i "1"- ОТК
Масса изделия, гр 24
Состояние упаковки самоупаковка
Транслитерация Cover for RP10-42LU-P-O corner metal without fasteners, BR0.364.025 TU
Наличие паспорта - этикетки нет

Основные параметры

Функциональная группа Аксессуары для прямоугольных разъемов
Функциональный тип кожухи, патрубки
Вид кожуха, патрубка угловой
Серия прямоугольных соединителей РП10
Материал кожуха алюминий
Цвет кожуха серый
Наличие крепежа нет
Наличие ловителей нет ловителей
Наличие замка для фиксации нет замка
Габаритные размеры L*W*H 98х31,2х62 mm
Длина корпуса 98 mm
Ширина корпуса 31,2 mm
Фактическая маркировка РП10-42ЛУ-П-О

Условия эксплуатации

Интервал рабочих температур от -60 до +125°C
Климатическое исполнениеi УХЛ 2.1
Ресурс 500 сочленений-расчленений
Загрузка...
Принимаем заказы на товары,
не вошедшие в каталог

Пришлите маркировку необходимого вам товара.
Мы предоставим Вам наилучшие условия по поставке!

Оформить заявку

Похожие товары

Артикул (ID): TN-1044
РП10-15 Вилка, карболит, 2005г
  • 311 1 шт.
  • 293 от 5 шт.
Артикул (ID): SK-6708
РП10-15 Розетка, карболит, "5"
  • 311 1 шт.
  • 293 от 5 шт.
Артикул (ID): SN-9380
Кожух для РП10-30ЛУ угловой металлический с крепежом.
  • 441 1 шт.
  • 405 от 5 шт.
Артикул (ID): SN-9381
Кожух для РП10-30ЛУ угловой металлический с крепежом
Артикул (ID): TM-9728
Кожух для РП10-42ЛП прямой металлический с крепежом
  • 180 1 шт.
Артикул (ID): TO-6988
Кожух для РП10-30ЛП прямой металлический с крепежом
  • 441 1 шт.
  • 419 от 5 шт.
Артикул (ID): TO-6989
Кожух для РП10-15ЛП прямой металлический с крепежом
Артикул (ID): TP-2300
Кожух для РП10-15ЛУ угловой металлический с крепежом
  • 135 1 шт.
Артикул (ID): TP-6113
Кожух для РП10-11ЛУ угловой металлический с крепежом
  • 270 1 шт.
Артикул (ID): KP-3930
Кожух для РП10-15ЛП прямой металлический без крепежа
  • 135 1 шт.
Артикул (ID): KT-737
Кожух для РП10-30ЛП прямой металлический без крепежа
  • 441 1 шт.
Артикул (ID): KT-1260
Кожух для РП10-30ЛП прямой металлический без крепежа, "5"
  • 441 1 шт.
Артикул (ID): KT-1261
Кожух для РП10-30ЛП прямой металлический без крепежа, "1".
  • 441 1 шт.
Артикул (ID): KT-1264
Кожух для РП10-30ЛП прямой металлический без крепежа, "1"
  • 441 1 шт.
Артикул (ID): KT-4277
Кожух для РП10-42Л-П-О прямой металлический без крепежа, бР0.364.025 ТУ
  • 1440 1 шт.

Недавно просмотренные товары

Принимаем к оплате
IP Electron в соцсетях