58 681 товара в наличии и на заказ

Электронные компоненты и расходные материалы

$
Настройка отображения валюты
Полный каталог
Скидка на  Переключатели перекидные (Тумблеры)
-20%

РП14-5 ОС Розетка, карболит (вар.1), НЩ0.364.005ТУ(арт. TB-9674)

No name USSR; НЩ0.364.005ТУ; 800 V; 5 A; " 9" - ОС; нет кожуха; -

РП14-5 Розетка - электрический низкочастотный прямоугольный соединитель. Структура условного обозначения: РП - тип соединителя: ручного сочленения (расчленения); 14 - порядковый номер разработки; 5 - количество контактов; покрытие контактов серебром (отсутствие цифры); отсутствие буквы В - климатическое исполнение УХЛ. Соединитель предназначен для работы в цепях постоянного, переменного (с частотой до 3 МГц) и импульсного токов. Соединители РП14 предназначены для внутреннего монтажа. Контакты вилок и розеток плавающие. Подсоединение проводов к хвостовикам контактов методом пайки. Вся дополнительная информация находится во вложении на товар, см. pdf – файл.

Подробнее
Заметили
ошибку ?
Сообщите нам

Общая информация

Наименование РП14-5 ОС Розетка, карболит (вар.1), НЩ0.364.005ТУ
Торговая марка No name USSR
Страна изготовления СССР
Нормы и требования НЩ0.364.005ТУ
Дата изготовленияi 1976-1991
Вид приемки i "9"- ОС
Масса изделия, гр 10,21
Состояние упаковки самоупаковка
Транслитерация RP14-5 OS Socket, carbolite (var.1), NSh0.364.005TU
Наличие паспорта - этикетки нет

Основные параметры

Функциональная группа соединители
Функциональный тип прямоугольные низкочастотные
Серия прямоугольных соединителей РП14
Типономинал / Типоконструкция розетка
Фактическая маркировка РП14-5
Количество контактов 5
Вид контактов ножевые
Размер контактов 3,5х0,6 mm
Материал контактов латунь
Покрытие контактов Ag (серебро)
Шаг контактов в ряду 6,1 mm
Количество рядов контактов 1
Наличие замка для фиксации нет замка
Наличие ловителей нет ловителей
Наличие кожуха нет кожуха
Вид изолятора вариант I
Материал изолятора карболит
Цвет изолятора коричневый
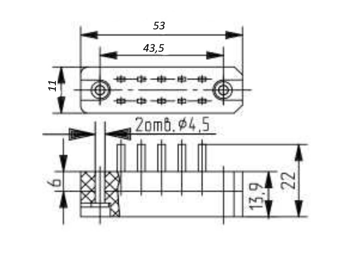
Длина изолятора 53 mm
Ширина изолятора 11 mm
Высота изолятора 13,9 mm
Габаритные размеры L*W*H 53х11х22 mm
Метод монтажа механический объемный монтаж
Метод монтажа электрический пайка
Установочные размеры 43,5 mm расстояние между монтажными отверстиями
Диаметр установочного отверстия 4,5 mm
Метод сочленения врубной
Рабочее положение любое

Технические характеристики

Рабочее напряжение, max 800 V
Рабочий ток, max 5 A
Сопротивление контактов не более 30 mΩ
Сопротивление изоляции 5000 MΩ
- диапазон частот 1-3000 Hz
- амплитуда ускорения 40 g
Электрическая прочность изоляции 2550 V

Условия эксплуатации

Интервал рабочих температур от -60 до +100°С
Атмосферное давление от 1х 10⁻¹² Pa до 50,6 10⁴ Pa
Климатическое исполнениеi УХЛ
Относительная влажность 98% при температуре +35°С
Ресурс 3000 сочленений-расчленений
Минимальная наработка 10 000 час.
Макс. срок хранения 15 лет
Загрузка...
Принимаем заказы на товары,
не вошедшие в каталог

Пришлите маркировку необходимого вам товара.
Мы предоставим Вам наилучшие условия по поставке!

Оформить заявку

Похожие товары

Артикул (ID): KK-12173
РП 14А-30 Г6|карб.||2004|Электродеталь|с кож.
  • 2430 1 шт.
  • 2430 .
Артикул (ID): KK-12322
РП 14-30 Л розетка|карб.|5|2012|Электродеталь|щелевые
  • 540 1 шт.
  • 540 .
Артикул (ID): KK-12323
РП 14-30 Л розетка|карб.|5|2014|Электродеталь|щелевые
  • 612 1 шт.
  • 612 .
Артикул (ID): KK-12324
РП 14-30 Л розетка|карб.|5|2015|Электродеталь|щелевые
  • 612 1 шт.
  • 612 .
Артикул (ID): KK-12325
РП 14-30 ЛВ розетка|карб.|5|2013|Электродеталь|щелевые
  • 612 1 шт.
  • 612 .
Артикул (ID): KK-12423
РП 14-30 Л вилка|карб.|5|2012|Электродеталь|щелевые
  • 450 1 шт.
  • 450 .
Артикул (ID): KK-12424
РП 14-30 Л вилка|карб.|5|2013|Электродеталь|щелевые
  • 450 1 шт.
  • 450 .
Артикул (ID): KK-12425
РП 14-30 Л вилка|карб.|5|2014|Электродеталь|щелевые
  • 504 1 шт.
  • 504 .
Артикул (ID): KK-12426
РП 14-30 Л вилка|карб.|5|2015|Электродеталь|щелевые
  • 504 1 шт.
  • 504 .
Артикул (ID): KK-13046
РП 14А-21 Г6|карб.||2025|з-д"Снежеть"|з/уп
  • 1332 1 шт.
  • 1332 .
Артикул (ID): TB-9700
Уценка РП14-30 Розетка, карболит, (вар.1), бРО.364.024ТУ
  • 125 1 шт.
Артикул (ID): KK-13315
РП 14А-30 Г3|карб.||1991|Электродеталь|с кож.
  • 1440 1 шт.
  • 1440 .
Артикул (ID): KK-13316
РП 14А-30 Ш3|карб.||1991|Электродеталь|с кож.
  • 1440 1 шт.
  • 1440 .

Недавно просмотренные товары

Принимаем к оплате
IP Electron в соцсетях