60 386 товаров в наличии и на заказ

Электронные компоненты и расходные материалы

$
Настройка отображения валюты
Полный каталог
Скидка на  Соединители
-20%

РП10-42ЛП-П-О Розетка с ловителем, прямой кожух, пластмасса, БРО.364.025 ТУ(арт. TB-9941)

ОАО «Карачевский завод «Электродеталь»; 1500 V; 15 A; " 1" - ОТК; алюминий; БРО.364.025 ТУ

Соединитель РП10-42ЛП-П-О - электрический низкочастотный прямоугольный нормальных габаритов для внутреннего монтажа. Предназначен для работы в электрических цепях постоянного, переменного частотой до 3 МГц и импульсного токов напряжением до 1500 В. Применяется для соединения и разъединения электрических цепей в различных видах электро- и радиоаппаратуры специального и общего назначения. Расшифровка условного обозначения: РП - Тип соединителя: ручного сочленения (расчленения) общего назначения, низкочастотный, прямоугольный; 10 - Порядковый номер разработки; 42 - Количество контактов; Л - наличие ловителей (направляющих штырей, втулок); П - наличие корпуса с прямым выходом кабеля (жгута); П - Материал изолятора- изолятор из термопластичного материала; О - Покрытие контактов - олово-висмут. Вся дополнительная информация находится во вложении на товар, см. pdf – файл.

Подробнее
Заметили
ошибку ?
Сообщите нам

Общая информация

Наименование РП10-42ЛП-П-О Розетка с ловителем, прямой кожух, пластмасса, БРО.364.025 ТУ
Торговая марка ОАО «Карачевский завод «Электродеталь»
Страна изготовления СССР
Нормы и требования БР0.364.025 ТУ
Дата изготовленияi 1976-1991
Вид приемки i "1"- ОТК
Масса изделия, гр 89,48
Состояние упаковки самоупаковка
Транслитерация RP10-42LP-P-O Socket with catcher, straight casing, plastic, BRO.364.025 TU
Наличие паспорта - этикетки нет

Основные параметры

Функциональная группа соединители
Функциональный тип прямоугольные низкочастотные
Серия прямоугольных соединителей РП10
Типономинал / Типоконструкция розетка
Фактическая маркировка РП10-42ЛП-П-О
Количество контактов 42
Диаметр контактов 1,5 mm
Материал контактов латунь
Покрытие контактов олово - висмут
Шаг между рядами контактов 5,5 mm
Шаг контактов в ряду 6,4 mm
Количество рядов контактов 4
Наличие замка для фиксации нет замка
Наличие ловителей направляющий штырь
Наличие кожуха прямой
Материал кожуха алюминий
Цвет кожуха серый
Материал изолятора пластик
Цвет изолятора синий
Длина изолятора 90 mm
Ширина изолятора 26 mm
Высота изолятора 9 mm
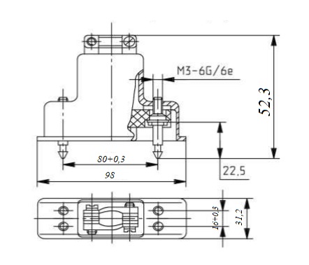
Габаритные размеры L*W*H 98х31,2х52,3 mm
Метод монтажа механический объемный монтаж
Метод монтажа электрический пайка
Установочные размеры 80 mm расстояние между монтажными отверстиями
Диаметр установочного отверстия 3,2 mm
Метод сочленения врубной

Технические характеристики

Рабочее напряжение, max 1500 V
Рабочий ток, max 15 A
Сопротивление контактов не более 4 mΩ
Сопротивление изоляции 10000 MΩ
- диапазон частот 1-2500 Hz
- амплитуда ускорения 18 g
Электрическая прочность изоляции 2700-3800 V

Условия эксплуатации

Интервал рабочих температур от -60 до +125°C
Климатическое исполнениеi УХЛ 2.1
Относительная влажность 98% при температуре +35°С
Ресурс 500 сочленений-расчленений
Минимальная наработка 12000 час.
Макс. срок хранения 25 лет
Загрузка...
Принимаем заказы на товары,
не вошедшие в каталог

Пришлите маркировку необходимого вам товара.
Мы предоставим Вам наилучшие условия по поставке!

Оформить заявку

Похожие товары

Артикул (ID): KK-14325
РП 10-42 Л вилка|карб.|5|1994|Электродеталь|с креп.
  • 1116 1 шт.
Артикул (ID): KK-14326
РП 10-42 Л вилка|карб.|5|1995|Электродеталь|с креп.
  • 1116 1 шт.
Артикул (ID): KK-14327
РП 10-42 Л вилка|карб.|5|1996|Электродеталь|с креп.
  • 1116 1 шт.
Артикул (ID): KK-14328
РП 10-42 Л вилка|карб.||1997|Электродеталь|копия пасп.,с креп.
  • 1080 1 шт.
Артикул (ID): KK-14329
РП 10-42 Л-О вилка|карб.||1997|Электродеталь|з/уп
  • 1026 1 шт.
Артикул (ID): KK-14330
РП 10-42 Л-О вилка|карб.||2003|Электродеталь|з/уп
  • 1080 1 шт.
Артикул (ID): KK-14331
РП 10-42 ЛУН-П-О вилка|пл.||1993|Электродеталь|з/уп
  • 1260 1 шт.
Артикул (ID): KK-14332
РП 10-42 Л-П-О розетка|пл.||1994|Электродеталь|з/уп
  • 864 1 шт.
Артикул (ID): KK-14333
РП 10-42 ЛУН-О розетка|карб.||1993|Электродеталь|кож.пластм-й,пасп.,с креп.
  • 1440 1 шт.
Артикул (ID): KK-14334
РП 10-42 ЛУН-О розетка|карб.||1994|Электродеталь|кож.пластм-й,пасп.,с креп.
  • 1440 1 шт.
Артикул (ID): TF-1406
РП10-15ЛП Вилка с ловителем, прямой кожух, карболит. бР0.364.025ТУ
  • 773 1 шт.
Артикул (ID): TF-1407
РП10-15ЛП Вилка с ловителем, прямой кожух, карболит. бР0.364.025ТУ.
  • 773 1 шт.
Артикул (ID): TF-1408
РП10-15ЛП-О Вилка с ловителем, прямой кожух, карболит. бР0.364.025ТУ.
  • 773 1 шт.
Артикул (ID): TF-1409
РП10-15ЛП-О Вилка с ловителем, прямой кожух, карболит. бР0.364.025ТУ
  • 773 1 шт.

Недавно просмотренные товары

Принимаем к оплате
IP Electron в соцсетях