69 551 товара в наличии и на заказ

Электронные компоненты и расходные материалы

$
Настройка отображения валюты
Полный каталог
Скидка на Индикация и светодиоды
-20%

РП10-15ЛП-П-О Вилка c ловителями, прямой кожух, пластмасса. бР0.364.025ТУ(арт. TF-1410)

ОАО «Карачевский завод «Электродеталь»; 1500 V; 15 A; " 1" - ОТК; алюминий; бР0.364.025ТУ

РП10-15ЛП-П-О Вилка - электрический низкочастотный прямоугольный соединитель. Структура условного обозначения: РП - тип соединителя: ручного сочленения (расчленения) общего назначения низкочастотный, прямоугольный; 10 - порядковый номер разработки; 15 - количество контактов; П - наличие корпуса с прямым выходом кабеля (жгута); П - изолятор из термопластичного материала; О - покрытие контактов олово-висмут (без буквы покрытие контактов серебром); отсутствие буквы В - климатическое исполнение УХЛ. Соединитель предназначен для работы в цепях постоянного, переменного (с частотой до 3 МГц) и импульсного токов напряжением до 1500 В. Соединители РП10 имеют плавающие контакты. Подсоединение проводов к хвостовикам контактов методом пайки. Вся дополнительная информация находится во вложении на товар, см. pdf – файл.

Подробнее
Заметили
ошибку ?
Сообщите нам

Общая информация

Наименование РП10-15ЛП-П-О Вилка c ловителями, прямой кожух, пластмасса. бР0.364.025ТУ
Торговая марка ОАО «Карачевский завод «Электродеталь»
Страна изготовления СССР
Нормы и требования БР0.364.025 ТУ
Дата изготовленияi 1976-1991
Вид приемки i "1"- ОТК
Масса изделия, гр 49,61
Состояние упаковки самоупаковка
Транслитерация RP10-15LP-P-O Fork, straight casing, plastic
Наличие паспорта - этикетки нет

Основные параметры

Функциональная группа соединители
Функциональный тип прямоугольные низкочастотные
Серия прямоугольных соединителей РП10
Типономинал / Типоконструкция вилка
Фактическая маркировка РП10-15ЛП-О
Количество контактов 15
Диаметр контактов 1,5 mm
Материал контактов латунь
Покрытие контактов олово - висмут
Шаг между рядами контактов 5,5 mm
Шаг контактов в ряду 6,4 mm
Количество рядов контактов 2
Наличие замка для фиксации нет замка
Наличие ловителей направляющий штырь
Наличие кожуха прямой
Материал кожуха алюминий
Цвет кожуха серый
Материал изолятора пластмасса
Цвет изолятора коричневый
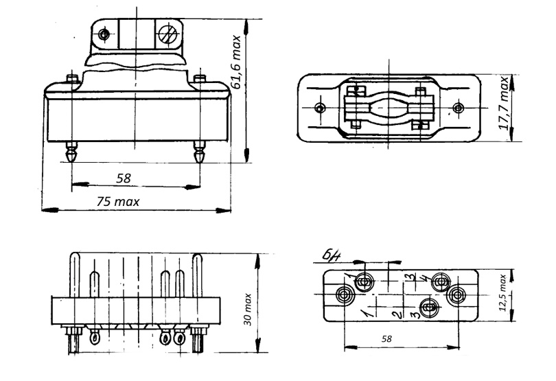
Длина изолятора 68 mm
Ширина изолятора 12,5 mm
Высота изолятора 9 mm
Габаритные размеры L*W*H 75х17,7х61,6 mm
Метод монтажа механический объемный монтаж
Метод монтажа электрический пайка
Установочные размеры 58 mm расстояние между монтажными отверстиями
Диаметр установочного отверстия 3,35 mm
Метод сочленения врубной

Технические характеристики

Рабочее напряжение, max 1500 V
Рабочий ток, max 15 A
Сопротивление контактов не более 4 mΩ
Сопротивление изоляции 10000 MΩ
- диапазон частот 1-2500 Hz
- амплитуда ускорения 18 g
Электрическая прочность изоляции 2700-3800 V

Условия эксплуатации

Интервал рабочих температур от -60 до +125°C
Климатическое исполнениеi УХЛ 2.1
Относительная влажность 98% при температуре +35°С
Ресурс 500 сочленений-расчленений
Минимальная наработка 12000 час.
Макс. срок хранения 25 лет
Загрузка...
Принимаем заказы на товары,
не вошедшие в каталог

Пришлите маркировку необходимого вам товара.
Мы предоставим Вам наилучшие условия по поставке!

Оформить заявку

Похожие товары

Артикул (ID): SK-6750
РП10-15"3"-П-О Вилка с замком, пластмасса
Артикул (ID): SN-9373
Кожух для РП10-15ЛП прямой металлический с крепежом.
  • 135 1 шт.
  • 122 от 5 шт.
Артикул (ID): SK-6538
РП10-15ЛУ-П-О Вилка с ловителем, угловой кожух, пластмасса
Артикул (ID): SN-8246
РП10-15Л-П-О Розетка с ловителем, пластмасса:
Артикул (ID): KK-15235
РП 10-42 Л розетка|карб.||1993|Электродеталь|копия пасп.
  • 1479 1 шт.
Артикул (ID): KK-15236
РП 10-42 Л розетка|карб.||1999|Электродеталь|копия пасп.
  • 1479 1 шт.
Артикул (ID): KK-15237
РП 10-42 Л розетка|карб.||2000|Электродеталь|копия пасп.
  • 1530 1 шт.
Артикул (ID): KK-15395
РП 10-22 ЛП розетка|карб.|5|2018|Электродеталь|с кож.
  • 918 1 шт.
Артикул (ID): KK-15594
РП 10-11 ЛП розетка|карб.||1992|Электродеталь|з/уп
  • 578 1 шт.
Артикул (ID): KK-15793
РП 10-22-В розетка|карб.|9|1991|Электродеталь|
  • 255 1 шт.
Артикул (ID): KK-15946
РП 10-22 ЛУ вилка|карб.|5|2008|Электродеталь|с кож.
  • 595 1 шт.
Артикул (ID): KK-15947
РП 10-22 ЛУ вилка|карб.|5|2014|Электродеталь|с кож.
  • 918 1 шт.
Артикул (ID): KK-15948
РП 10-22 ЛУ вилка|карб.|5|2023|з-д"Снежеть"|с кож.
  • 1530 1 шт.
Артикул (ID): CC-11642
Разъем РП10-7ЛП-П-О ОТК розетка
  • 695.46 1 шт.

Недавно просмотренные товары

Принимаем к оплате
IP Electron в соцсетях