68 893 товаров в наличии и на заказ

Электронные компоненты и расходные материалы

$
Настройка отображения валюты
Полный каталог
Уважаемые клиенты, обращаем ваше внимание! Цены на сайте указаны без НДС!
Счета выставляются:
  • от ИП Павлов: с НДС 5% сверх цены, указанной на сайте
  • от ООО «Ай Пи Электрон» с 22% НДС сверх цены, указанной на сайте

ВЛ-70 1-100s 24V, Реле времени, ТУ16-647.038-86(арт. BV-3502)

Реле времени ВЛ-70 предназначены для коммутации электрических цепей с определенными, предварительно установленными выдержками времени в схемах управления электрооборудованием, применяемом на судах неограниченного района плавания. Вся дополнительная информация находится во вложении, см. pdf - файл.

Подробнее
Заметили
ошибку ?
Сообщите нам

Общая информация

Наименование ВЛ-70 1-100s 24V, Реле времени, ТУ16-647.038-86
Торговая марка "Киевский Завод Реле и Автоматики"
Страна происхождения СССР
ТУ ТУ 16-647.039-86
Вид приемки i "1"- ОТК
Масса изделия, гр 220
Дата выпуска 1988-1989
Наличие паспорта - этикетки нет
Транслитерация ВЛ-70 1-100s 24V, Реле времени, ТУ16-647.038-86
Состояние упаковки самоупаковка

Основные параметры

Функциональная группа Реле
Функциональный тип реле времени
Фактическая маркировка ВЛ-70В4
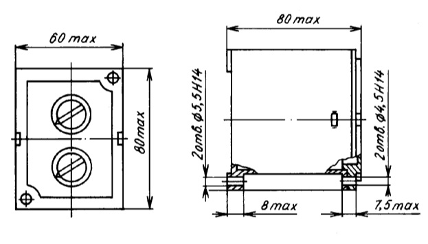
Габаритные размеры L*W*H 89х80х60 mm
Длина корпуса 80 mm
Ширина корпуса 60 mm
Высота корпуса 80 mm
Количество выводов или контактов 8
Длина выводов 5 mm
Материал корпуса пластик
Цвет изделия корпус-прозрачный

Технические характеристики

Номинальное напряжение питания 24 V
Диапазон напряжения (+10%, -15%) от номинального напряж.
Коммутируемый ток мин. 0,6 А
Время срабатывания время возвр.- 0,2 s, время подготов. - 0,6 s
Мощность 2 W
Класс точности 4/0,1
Диапазон выдержек времени 1 - 100 s

Условия эксплуатации

Интервал рабочих температур от -40 до +55°С
Относительная влажность 98% при температуре 35°С
Климатическое исполнениеi B4
Срок отгрузки со склада 1 день (в наличии)
Загрузка...
Принимаем заказы на товары,
не вошедшие в каталог

Пришлите маркировку необходимого вам товара.
Мы предоставим Вам наилучшие условия по поставке!

Оформить заявку

Похожие товары

Артикул (ID): BV-3638
ВС-43-65 220 V 1 - 60 h Реле времени, ТУ 16-647.026-86
  • 1435 1 шт.
Артикул (ID): BV-3626
ВС-43-32 220 V 0,15 - 9 min Реле времени, ТУ 16-647.026-86
  • 1435 1 шт.
Артикул (ID): BV-3625
ВС-43-31 220 V 1 - 60 s Реле времени, ТУ 16-647.026-86
  • 1435 1 шт.
Артикул (ID): BV-3622
ВЛ-45 0,1-1час,"1" Реле времени.
  • 1125 1 шт.
Артикул (ID): BV-3620
ВЛ-45 0,1-1час Реле времени.
  • 1125 1 шт.
Артикул (ID): BV-3616
ВЛ-69 110 V, 110 V 0,1 - 9,9 s Реле времени, 16-647.039-86 ТУ
  • 1125 1 шт.
Артикул (ID): BV-3608
ВЛ-71 0,1-10s 380V, Реле времени, ТУ16-647.038-86
  • 1125 1 шт.
Артикул (ID): BV-3606
ВЛ-70 1-100s 24V, Реле времени, ТУ16-647.038-86.
  • 1323 1 шт.
Артикул (ID): BV-3492
ВЛ-64 3-30s 110V, 110V Реле времени, ТУ 16-647.039-86
  • 1125 1 шт.
Артикул (ID): BV-3155
ВС-43-35 220 V 1 - 60 h Реле времени, ТУ 16-647.026-86
  • 1432.8 1 шт.
Артикул (ID): ZA-3096
ВЛ63-1 0.1-30 мин. 24В Реле времени
  • 1185.84 1 шт.
Артикул (ID): ZM-6779
NT90TP-N-C-E-AC220V-C-B FORWARD Реле
  • 248.36 1 шт.
  • 248.36 от 10 шт.
  • 248.36 от 100 шт.
Артикул (ID): KK-14751
ВЛ-48 110В|||||б/г,УЗ,0.5-5 сек,кл.1,5/0,2
  • 360 1 шт.
Артикул (ID): ZA-3087
ВЛ45 20-200 сек. 220В Реле времени
  • 1185.84 1 шт.
Артикул (ID): TB-9267
Уценка ВЛ56 1-100 сек. 24В Реле времени, ТУ 27.12.24-009-17114305-2024
  • 891 1 шт.

Недавно просмотренные товары

Принимаем к оплате
IP Electron в соцсетях