69 446 товаров в наличии и на заказ

Электронные компоненты и расходные материалы

$
Настройка отображения валюты
Полный каталог
Скидка на Резисторы переменные (Потенциометры)
-20%

ВЛ-64 3-30s 110V, 110V Реле времени, ТУ 16-647.039-86 (арт. BV-3492)

" Киевский Завод Реле и Автоматики" ; " 1" - ОТК; 1 замык, 1 размык; аналоговое; 4 A; таймер, реле времени, устройство программно-временное…; ВЛ-66, РВ12, РВ13, РВ14…

Реле времени ВЛ-64УХЛ4. Расшифровка маркировки ВЛ-64 УХЛ4:
ВЛ: Реле времени (Вид устройства); 64: Номер серии/модели; УХЛ: Климатическое исполнение по ГОСТ 15150-69 (умеренный и холодный климат); 4: Категория размещения (для закрытых помещений с искусственно регулируемыми климатическими условиями). Предназначено для коммутации электрических цепей с определенными, предварительно установленными выдержками времени и применяются в схемах автоматики как комплектующие изделия, которые позволяют включать, отключать электрическую цепь через заданное время (3-30 секунд). Вся дополнительная информация находится во вложении, см. pdf - файл.

Подробнее
Заметили
ошибку ?
Сообщите нам

Общая информация

Наименование ВЛ-64 3-30s 110V, 110V Реле времени, ТУ 16-647.039-86
Торговая марка "Киевский Завод Реле и Автоматики"
Страна изготовления СССР
Нормы и требования ТУ 16-647.039-86
Вид приемки i "1"- ОТК
Масса изделия, гр 220
Дата изготовленияi 1976-1991
Наличие паспорта - этикетки нет
Транслитерация VL-64 3-30s 110V, 110V Time Relay, TU 16-647.039-86
Состояние упаковки самоупаковка

Основные параметры

Функциональная группа Реле
Функциональный тип реле времени
Серия реле ВЛ-64
Количество контактных групп 1 замык, 1 размык
Тип реле аналоговое
Род тока постоянный
Класс точности 3/2
Время повторной готовности 0,3 s
Время возврата 0,2 s
Средняя основная погрешность в начале шкалы 23%
Средняя основная погрешность в конце шкалы 6%
Задержка при включении да
Количество выходов с задержкой, размыкающий контакт 1
Количество выходов с задержкой, замыкающий контакт 1
Наличие рукоятки-указателя (ручка) есть
Герметичность нет
Количество контактов 6 контактов
Материал контактов латунь
Покрытие контактов лужение
Вид контактов под пайку, клемму
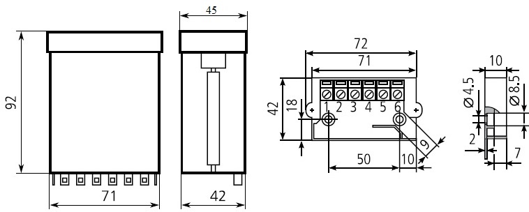
Габаритные размеры L*W*H 45х109х75 mm
Ширина корпуса 45 mm
Глубина корпуса 92 mm
Высота корпуса 92 mm
Материал корпуса пластик
Покрытие корпуса без покрытия
Цвет корпуса белый
Метод монтажа механический винтами за корпус
Метод монтажа электрический пайка, клеммы
Фактическая маркировка ВЛ-64УХЛ4
Другие наименования таймер, реле времени, устройство программно-временное…
Аналогичные серии ВЛ-66, РВ12, РВ13, РВ14…

Технические характеристики

Ток контактов 4 A
Коммутируемый ток, min 0,01 A
Потребляемая мощность 45 W
Номинальное напряжение цепи управления 110V, 110V
Напряжение катушки 110 V, 110 V
Диапазон выдержек времени 0,3 - 3 s
Синусоидальная вибрация: :
- амплитуда ускорения 10 g
- диапазон частот 10-60 Hz

Условия эксплуатации

Степень защиты IPi IP40 корпус, IP00 клеммы
Интервал рабочих температур от +1 до +55°C
Относительная влажность 80% при температуре 25°С
Климатическое исполнениеi УХЛ4
Ресурс 20 000 000 срабатываний
Минимальный срок сохраняемости, лет 12
Загрузка...
Принимаем заказы на товары,
не вошедшие в каталог

Пришлите маркировку необходимого вам товара.
Мы предоставим Вам наилучшие условия по поставке!

Оформить заявку

Похожие товары

Артикул (ID): BV-4610
ВС-10-36 УХЛ4 220V 9 min - 4,5 h. Реле времени.
  • 2331 1 шт.
Артикул (ID): BV-4608
ВС-10-67 У4 127V 24 min - 10 h. Реле времени.
  • 2331 1 шт.
Артикул (ID): BV-4489
ВС-10-65 У4 127V 3 - 90 min Реле времени.
  • 2331 1 шт.
Артикул (ID): BV-3638
ВС-43-65 220 V 1 - 60 h Реле времени, ТУ 16-647.026-86
  • 1435 1 шт.
Артикул (ID): BV-3626
ВС-43-32 220 V 0,15 - 9 min Реле времени, ТУ 16-647.026-86
  • 1435 1 шт.
Артикул (ID): BV-3625
ВС-43-31 220 V 1 - 60 s Реле времени, ТУ 16-647.026-86
  • 1435 1 шт.
Артикул (ID): BV-3622
ВЛ-45 0,1-1h, 110V Реле времени
  • 1125 1 шт.
Артикул (ID): BV-3620
ВЛ-45 0,1-1h, 110V Реле времени.
  • 1125 1 шт.
Артикул (ID): BV-3616
ВЛ-69 0,1-9,9s 110V, 110V Реле времени, ТУ 16-647.039-86
  • 1125 1 шт.
Артикул (ID): BV-3608
ВЛ-71 0,1-10s 380V, Реле времени, ТУ16-647.038-86
  • 1125 1 шт.
Артикул (ID): BV-3606
ВЛ-70 1-100s 24V, Реле времени, ТУ16-647.038-86.
  • 1323 1 шт.
Артикул (ID): BV-3502
ВЛ-70 1-100s 24V, Реле времени, ТУ16-647.038-86
  • 1323 1 шт.
Артикул (ID): BV-3155
ВС-43-35 220 V 1 - 60 h Реле времени, ТУ 16-647.026-86
  • 1432.8 1 шт.
Артикул (ID): ZA-3096
ВЛ-63-1 0,1-30min 24V Реле времени, ТУ 16-647.039-86
  • 1317.6 1 шт.
Артикул (ID): TB-9267
Уценка ВЛ-56 1-100s 24V Реле времени, ТУ 27.12.24-009-17114305-2024
  • 891 1 шт.

Недавно просмотренные товары

Принимаем к оплате
IP Electron в соцсетях