68 786 товаров в наличии и на заказ

Электронные компоненты и расходные материалы

$
Настройка отображения валюты
Полный каталог
Уважаемые клиенты, обращаем ваше внимание! Цены на сайте указаны без НДС!
Счета выставляются:
  • от ИП Павлов: с НДС 5% сверх цены, указанной на сайте
  • от ООО «Ай Пи Электрон» с 22% НДС сверх цены, указанной на сайте

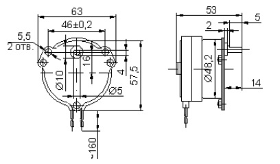
Уценка ДСМ-2-П УХЛ4,2 220В 50Гц 2 об/мин Микроэлектродвигатель, ТУ 16-512 309-78(арт. BV-2622)

Причина уценки: окись. ДСМ2 УХЛ4,2 220В 50Гц 2 об/мин Микроэлектродвигатель - тихоходный синхронный многополюсный - устройство, которое является комплектующим элементом в приборах и средствах промышленной автоматики, противопожарной и вентиляцтонной технике. ДСМ-2 предназначен для работы от однофазной сети переменного тока частоты 50 Гц. Направление вращения правое. Номинальная мощность 4,6 Вт. Двигатели работают в продолжительном режиме или повторно-кратковременном с частыми пусками с продолжительностью включения 60%. Направление вращения: правое. Вся дополнительная информация находится во вложении на товар, см. pdf - файл.

Подробнее
Заметили
ошибку ?
Сообщите нам

Общая информация

Наименование Уценка ДСМ-2-П УХЛ4,2 220В 50Гц 2 об/мин Микроэлектродвигатель, ТУ 16-512 309-78
Торговая марка ООО «Львовский приборостроительный завод», ООО «ЛПЗ»
Страна происхождения РОССИЯ
ТУ ТУ 16-512 309-78
Вид приемки i "1"- ОТК
Масса изделия, гр 151
Дата выпуска 1992
Наличие паспорта - этикетки нет
Транслитерация dsm-2-p-uhl4,2-220v-50gts-2-obmin-mikroelektrodvigatel
Состояние упаковки самоупаковка

Основные параметры

Фактическая маркировка ДСМ-2 220УХЛ4,2
Габаритные размеры L*W*H 60х50 mm
Диаметр корпуса 60 mm
Рабочее положение любое
Цвет изделия серый

Технические характеристики

Напряжение питания 220 V
Частота вращения 2 об/мин.
Частота питающей сети 50/60 Hz
Вращающий момент 0,40 N•m
Потребляемая мощность 4,6 В·A

Условия эксплуатации

Интервал рабочих температур до +60°C
Климатическое исполнениеi УХЛ 4.2
Срок отгрузки со склада 1 день (в наличии)
Загрузка...
Принимаем заказы на товары,
не вошедшие в каталог

Пришлите маркировку необходимого вам товара.
Мы предоставим Вам наилучшие условия по поставке!

Оформить заявку

Похожие товары

Артикул (ID): ZA-1415
ДПМ25-Н6-02 Электродвигатель
  • 8992.62 1 шт.
Артикул (ID): ZP-5861
RS-380-3270 12.0V Электродвигатель
  • 176.2 1 шт.
Артикул (ID): ZK-6039
QX-4C 0408 vibra Электродвигатель
  • 45.58 1 шт.
  • 45.58 от 10 шт.
Артикул (ID): CC-09850
Электродвигатель F130-2190 3.0V
  • 47.17 1 шт.
Артикул (ID): ZK-6046
QXFLAT-1234B vibra Электродвигатель
  • 73.05 1 шт.
  • 73.05 от 10 шт.
  • 73.05 от 100 шт.
Артикул (ID): BV-2621
Уценка Д-32П1-72 об/мин, 127/12V Электродвигатель,
  • 963 1 шт.
Артикул (ID): CC-05439
Электродвигатель QX- 7 1.3V вибро
  • 121.45 1 шт.
Артикул (ID): CC-05438
Электродвигатель L-KLS23-PL34HD2L4560-01
  • 6661.02 1 шт.
Артикул (ID): CC-05437
Электродвигатель L-KLS23-PL34HD1L4630-01
  • 4757.87 1 шт.
Артикул (ID): CC-05436
Электродвигатель L-KLS23-PL34HD0L4630-01
  • 3806.3 1 шт.
Артикул (ID): CC-05435
Электродвигатель DC L-KLS23-DBM24-RF-500TB-18250
  • 79.12 1 шт.
Артикул (ID): CC-05433
Электродвигатель DC L-KLS23-DBM25-RS-755SH-7512R
  • 559.54 1 шт.
Артикул (ID): CC-05432
Электродвигатель DC L-KLS23-DBM25-RS-750SH-7032R
  • 559.54 1 шт.
Артикул (ID): CC-05431
Электродвигатель DC L-KLS23-DBM25-RS-795SH-4739R
  • 647.28 1 шт.
Артикул (ID): CC-05430
Электродвигатель L-KLS23-TGP01D-A130-18100-220
  • 162.79 1 шт.

Недавно просмотренные товары

Принимаем к оплате
IP Electron в соцсетях