69 276 товаров в наличии и на заказ

Электронные компоненты и расходные материалы

$
Настройка отображения валюты
Полный каталог
Уважаемые клиенты, обращаем ваше внимание! Цены на сайте указаны без НДС!
Счета выставляются:
  • от ИП Павлов: с НДС 5% сверх цены, указанной на сайте
  • от ООО «Ай Пи Электрон» с 22% НДС сверх цены, указанной на сайте

Уценка ДП25-1,0-4-9 (ДП3) Микроэлектродвигатель постоянного тока(арт. BV-5201)

Причина уценки: демонтаж, отсутствует маркировка. ДП25-1-4-9 микорэлектродвигатель постоянного тока. Предназначен для кассовых аппаратов, для подъема зеркала и взвода затвора фотоаппаратов; для механизмов заправки магнитной ленты и установки кассеты бытовых видеомагнитофонов для проблесковых маячков спецмашин, для сервисных устройств автомобилей, для электромеханических игрушек, для различных механизмов приборов. Вся дополнительная информация находится во вложении на товар, см. pdf - файл.

Подробнее
Заметили
ошибку ?
Сообщите нам

Общая информация

Наименование Уценка ДП25-1,0-4-9 (ДП3) Микроэлектродвигатель постоянного тока
Торговая марка No name USSR
Страна происхождения СССР
Вид приемки i "1"- ОТК
Масса изделия, гр 54
Дата выпуска дата не указана
Наличие паспорта - этикетки нет
Транслитерация Discounted DP25-1.0-4-9 (DP3) DC Microelectric Motor
Состояние упаковки самоупаковка

Основные параметры

Функциональная группа электродвигатель
Функциональный тип микроэлектродвигатель
Фактическая маркировка отсутствует
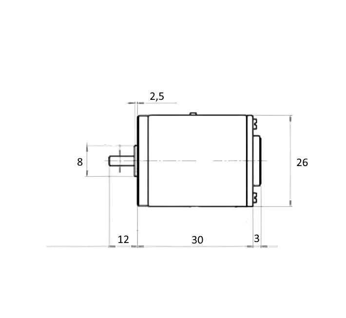
Габаритные размеры L*W*H 26х45 mm
Диаметр корпуса 26 mm
Высота корпуса 30 mm
Материал корпуса металл
Рабочее положение любое

Технические характеристики

Напряжение питания 9 V
Частота вращения 4000 об/мин.
Номинальная мощность 1,2 W
Пусковой ток 1,3 А
Вращающий момент 3 mN•m
Пусковой момент 13 mN•m
Ток потребления 0,28 А

Условия эксплуатации

Срок отгрузки со склада 1 день (в наличии)
Загрузка...
Принимаем заказы на товары,
не вошедшие в каталог

Пришлите маркировку необходимого вам товара.
Мы предоставим Вам наилучшие условия по поставке!

Оформить заявку

Похожие товары

Артикул (ID): ZA-1451
F130-16155 4.5V Электродвигатель
  • 28.86 1 шт.
  • 28.86 от 10 шт.
  • 28.86 от 100 шт.
Артикул (ID): ZK-2316
R140-2270 3.0V Электродвигатель
  • 38.31 1 шт.
  • 38.31 от 10 шт.
  • 38.31 от 100 шт.
Артикул (ID): BV-4438
ДПМ35-Н2-01 Электродвигатель постоянного тока
  • 1500 1 шт.
Артикул (ID): KK-15567
СД-75Е|||||27
  • 2250 1 шт.
Артикул (ID): KK-15566
СД-75Д||5|2016||з/уп,27В,6А,75Вт,7500об/м
  • 4050 1 шт.
Артикул (ID): ZA-1415
ДПМ25-Н6-02 Электродвигатель
  • 8992.62 1 шт.
Артикул (ID): CC-09850
Электродвигатель F130-2190 3.0V
  • 44.82 1 шт.
Артикул (ID): ZK-6046
QXFLAT-1234B vibra Электродвигатель
  • 73.05 1 шт.
  • 73.05 от 10 шт.
  • 73.05 от 100 шт.
Артикул (ID): BV-2622
Уценка ДСМ-2-П УХЛ4,2 220В 50Гц 2 об/мин Микроэлектродвигатель, ТУ 16-512 309-78
  • 7695 1 шт.
Артикул (ID): BV-2621
Уценка Д-32П1-72 об/мин, 127/12V Электродвигатель,
  • 963 1 шт.
Артикул (ID): CC-05439
Электродвигатель QX- 7 1.3V вибро
  • 113.95 1 шт.
Артикул (ID): CC-05438
Электродвигатель L-KLS23-PL34HD2L4560-01
  • 6249.78 1 шт.
Артикул (ID): CC-05437
Электродвигатель L-KLS23-PL34HD1L4630-01
  • 4464.13 1 шт.
Артикул (ID): CC-05436
Электродвигатель L-KLS23-PL34HD0L4630-01
  • 3571.31 1 шт.
Артикул (ID): CC-05435
Электродвигатель DC L-KLS23-DBM24-RF-500TB-18250
  • 73.64 1 шт.

Недавно просмотренные товары

Принимаем к оплате
IP Electron в соцсетях