68 460 товаров в наличии и на заказ

Электронные компоненты и расходные материалы

$
Настройка отображения валюты
Полный каталог
Уважаемые клиенты, обращаем ваше внимание! Цены на сайте указаны без НДС!
Счета выставляются:
  • от ИП Павлов: с НДС 5% сверх цены, указанной на сайте
  • от ООО «Ай Пи Электрон» с 22% НДС сверх цены, указанной на сайте

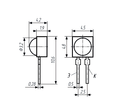
КТФ104А Фототранзистор, АДБК.432233.023 ТУ(арт. TF-1421)

Фототранзистор КТФ104А кремниевый планарный «ближнего» диапазона ИК-спектра с двумя p-n переходами и одним фоточувствительным элементом. Предназначен для применения в качестве приёмника и датчика инфракрасного излучения в составе оптико-электронной аппаратуры, систем фотоэлектрической автоматики и бесконтактного измерения температуры, вычислительной и измерительной техники, программно-управляемого оборудования и приборов, работающих в диапазоне длин волн от 0,4 до 1,1 мкм. Вся дополнительная информация находится во вложении на товар, см. pdf – файл

Подробнее
Заметили
ошибку ?
Сообщите нам

Общая информация

Наименование КТФ104А Фототранзистор, АДБК.432233.023 ТУ
Торговая марка No name USSR
Страна происхождения СССР
ТУ АДБК.432233.023 ТУ
ГОСТ ГОСТ 15150-69
Вид приемки i "1"- ОТК
Масса изделия, гр 0,2
Дата выпуска дата не указана
Наличие паспорта - этикетки нет
Транслитерация KTF104A Phototransistor, ADBK.432233.023 TU
Состояние упаковки самоупаковка

Основные параметры

Функциональная группа Фоточувствительные элементы
Функциональный тип Фототранзисторы
Фактическая маркировка отсутствует
Габаритные размеры L*W*H 10,6х4,5х4,2 mm
Ширина корпуса 4,2 mm
Высота корпуса 4,5 mm
Количество выводов или контактов 2
Длина выводов 5,8 mm
Конструкция выводов, контактов штыревые
Материал выводов, контактов латунь
Покрытие выводов или контактов лужение
Цвет изделия желтый

Технические характеристики

Темновой ток 1 mA
Диапазон спектральной чувствительности 0,4 - 1,1 mkm

Условия эксплуатации

Интервал рабочих температур от -10 до +55°C
Загрузка...
Принимаем заказы на товары,
не вошедшие в каталог

Пришлите маркировку необходимого вам товара.
Мы предоставим Вам наилучшие условия по поставке!

Оформить заявку

Недавно просмотренные товары

Принимаем к оплате
IP Electron в соцсетях