68 504 товаров в наличии и на заказ

Электронные компоненты и расходные материалы

$
Настройка отображения валюты
Полный каталог
Уважаемые клиенты, обращаем ваше внимание! Цены на сайте указаны без НДС!
Счета выставляются:
  • от ИП Павлов: с НДС 5% сверх цены, указанной на сайте
  • от ООО «Ай Пи Электрон» с 22% НДС сверх цены, указанной на сайте

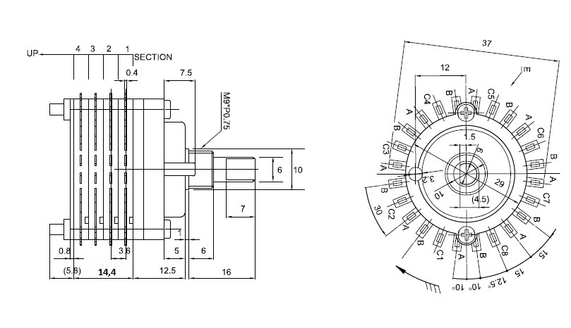
RCL371-4-16-2-16F 2 положения 16 направлений 0,5A(Ампер) 30V(Вольт) вал 16mm (F - гладкий сплошной с прямой лыской) Переключатель галетный.(арт. BV-2763)

RUICHI; 4 платы (галеты); пластмасса; ручка поставляется отдельно; -; галетник, поворотный переключатель, многопозиционный переключатель, кулачковый переключатель…; ПГК…, ПГГ…, KTZ…

Галетный переключатель RUICHI RCL371-4-16-2-16F галетный поворотный переключатель, коммутирующий цепи сигнализации и управления с напряжением постоянного тока до 30 В, силой тока до 0,5 А и коммутируемой мощностью до 15 Вт. Расшифровка: RCL371 – серия переключателя, 4 – количество секций (галет), 16 –количество направлений (полюсов), 2 – количество положений (позиций), 16 – длина вала, мм, F – форма вала (сплошной с прямой лыской). Переключатель устанавливают так, чтобы увеличение регулируемых величин происходило при движении по часовой стрелке, а уменьшение - при движении против часовой стрелки. Число положений ручки управления соответствует числу контактов в секторе перемещения контакта (контактов), расположенного на роторе. Вся дополнительная информация находится во вложении на товар, см. pdf – файл.

Подробнее
Заметили
ошибку ?
Сообщите нам

Общая информация

Наименование RCL371-4-16-2-16F 2 положения 16 направлений 0,5A(Ампер) 30V(Вольт) вал 16mm (F - гладкий сплошной с прямой лыской) Переключатель галетный.
Торговая марка RUICHI
Страна изготовления КИТАЙ
Дата изготовленияi дата не указана
Код ТНВЭД 8536508008
Масса изделия, гр 23,4
Наличие паспорта - этикетки нет
Состояние упаковки самоупаковка

Основные параметры

Функциональная группа Переключатели
Функциональный тип Переключатель галетный
Серия переключателя RCL371
Конструкция переключателя закрытого типа (в корпусе)
Количество направлений 16 направлений
Количество положений 2 положения
Количество плат (галет) 4 платы (галеты)
Материал галет (плат) пластмасса
Угол поворота, градусы 30
Тип валаi F (гладкий сплошной с прямой лыской)
Форма вала круглая
Диаметр вала (выступающей части) 6 mm
Длина вала (длина выступающей части) 16 mm
Количество выводов 48
Шаг выводов 4,5 mm
Вид выводов под пайку
Материал выводов латунь
Покрытие выводов (Ag) серебро
Габаритные размеры L*W*H 38х32х48,7 mm
Длина корпуса 32,7 mm
Ширина корпуса 37 mm
Высота корпуса 37 mm
Материал корпуса пластмасса
Цвет корпуса серый
Метод монтажа механический на панель (М9х0,75 L=6 mm)
Метод монтажа электрический пайка
Установочные размеры крепежное отверстие d = 9,2 mm
Диаметр установочного отверстия 9,2 mm
Толщина панели 3 mm
Тип ручки ручка поставляется отдельно
Фактическая маркировка отсутствует
Аналогичные серии ПГК…, ПГГ…, KTZ…
Другие наименования галетник, поворотный переключатель, многопозиционный переключатель, кулачковый переключатель…

Технические характеристики

Коммутируемое напряжение 30 V
Коммутируемый ток 0,5 А
Максимальная коммутир.мощность 15 W
Сопротивление контактов не более 0,025 Ω
Сопротивление изоляции 100 MΩ
Электрическая прочность изоляции 500 V
Электрическая схема контактов галетных переключателей 2 положения 16 направлений
Вид нагрузки активная, индуктивная
Режим работы (род тока) постоянный, переменный

Условия эксплуатации

Степень защиты IPi IP5
Интервал рабочих температур от -20 до +70°C
Ресурс 10000 переключений
Относительная влажность 98% при температуре +40°С
Атмосферное давление 0,66 -106,6 kPa
Загрузка...
Принимаем заказы на товары,
не вошедшие в каталог

Пришлите маркировку необходимого вам товара.
Мы предоставим Вам наилучшие условия по поставке!

Оформить заявку

Похожие товары

Артикул (ID): BV-2811
ПГК-8П2Н-8К 8 положений 2 направления 3A(Ампер) 350V(Вольт) вал ВС-3 (сплошной с прямой лыской) Переключатель галетный, УС0.360.059 ТУ
  • 550 1 шт.
Артикул (ID): BV-2809
ПГК-8П2Н-8К 8 положений 2 направления 3A(Ампер) 350V(Вольт) вал ВС-3 (сплошной с прямой лыской) Переключатель галетный, АГ0.360.204ТУ
  • 550 1 шт.
Артикул (ID): BV-2808
ПГК-2П8Н-8А 2 положения 8 направлений 3A(Ампер) 350V(Вольт) вал ВС-3 (сплошной с прямой лыской) Переключатель галетный, АГ0.360.204ТУ
  • 495 1 шт.
Артикул (ID): BV-2802
ПГК-11П3Н-К8 11 положений 3 направления 3A(Ампер) 350V(Вольт) вал ВС-3(сплошной с пямой лыской) Переключатель галетный, АГ0.360.204ТУ.
  • 1190 1 шт.
Артикул (ID): BV-2800
ПГК-9П2Н-8 9 положений 2 направления 3A(Ампер) 350V(Вольт) вал ОС-6 (гладкий с конической лыской с резьбой) Переключатель галетный, УС0.360.059 ТУ
  • 559 1 шт.
Артикул (ID): BV-2754
ПГГ-5П8Н-8 5 положений 6 направлений 3A(Ампер) 350V(Вольт) вал ОС-6 (гладкий с конической лыской с резьбой) Переключатель галетный, АГ0.360.204ТУ
  • 1250 1 шт.
Артикул (ID): BV-2562
ПГК-5П4Н-8В 5 положений 4 направления 3A(Ампер) 350V(Вольт) вал ОС-6 (гладкий с конической лыской с резьбой) Переключатель галетный
  • 575 1 шт.
Артикул (ID): CC-01850
Кодирующий переключатель L-KLS7-RS31007
  • 136.02 1 шт.
Артикул (ID): CC-01837
Переключатель L-KLS7-MT-07
  • 22.24 1 шт.
Артикул (ID): CC-01836
Переключатель L-KLS7-MT-05
  • 14 1 шт.
Артикул (ID): CC-01784
Переключатель п2г3-5п2н год вып.: 85-86
  • 1426.92 1 шт.
Артикул (ID): CC-01783
Галетный переключатель RCL371-2-4-6
  • 359.48 1 шт.
Артикул (ID): CC-01782
Переключатель галетный ПМ2 3П15Н
  • 343.4 1 шт.
Артикул (ID): CC-01781
Переключатель галетный ПМ2 3П9Н
  • 343.4 1 шт.
Артикул (ID): CC-01780
Переключатель галетный ПМ2 5П10Н
  • 352.6 1 шт.

Недавно просмотренные товары

Принимаем к оплате
IP Electron в соцсетях