59 005 товаров в наличии и на заказ

Электронные компоненты и расходные материалы

$
Настройка отображения валюты
Полный каталог
Скидка на  Переключатели галетные
-20%

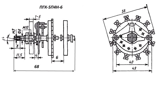
ПГК-5П4Н-6 5 положений 4 направления 3A(Ампер) 350V(Вольт) вал ОС-6 (сплошной с косой лыской) Переключатель галетный..(арт. KT-3236)

2 платы (галеты); 30; УС0.360.059ТУ; Кузбассрадио

Переключатель галетный ПГК-5П4Н-6предназначен для коммутации электрических цепей постоянного тока, а также переменного тока низкой и высокой частоты. Расшифровка: ПГК - переключатель галетный с керамическими платами; 5П - число рабочих положений; 4Н - число направлений; 6 - расстояние между платами в мм; Максимальная коммутируемая мощность 70W AC, 15W DC; максимально коммутируемый ток 3A AC, 0,5A DC; рабочее напряжение 350V. Ручка поставляется отдельно. В качестве ручки может использоваться любая с внутренним диаметром - 6мм (отверстие для винта сверху). Пример: Клювик для ПГК (6 мм) метал. втулка, Ручка приборная 4.252 под П2Г (6 мм) клювик и тд. Вся дополнительная информация находится во вложении на товар, см pdf -файл.

Подробнее
Заметили
ошибку ?
Сообщите нам

Общая информация

Наименование ПГК-5П4Н-6 5 положений 4 направления 3A(Ампер) 350V(Вольт) вал ОС-6 (сплошной с косой лыской) Переключатель галетный..
Торговая марка Кузбассрадио
Страна изготовления СССР
Дата изготовленияi 1976-1991
Нормы и требования УС0.360.059ТУ
Вид приемки i "1"- ОТК
Масса изделия, гр 88
Наличие паспорта - этикетки нет
Транслитерация PGK-5P4N-6
Состояние упаковки самоупаковка

Основные параметры

Функциональная группа Переключатели
Функциональный тип Переключатель галетный
Серия переключателя ПГК
Конструкция переключателя открытого типа (без корпуса)
Количество направлений 4
Количество положений 5
Расстояние между платами 6
Количество плат (галет) 2 платы (галеты)
Материал галет (плат) керамика
Угол поворота, градусы 30
Тип валаi гладкий с конической лыской с резьбой (ОС-6)
Форма вала круглая
Диаметр вала (выступающей части) 6 mm
Длина вала (длина выступающей части) 20 mm
Количество выводов 24
Вид выводов под пайку
Материал выводов латунь
Покрытие выводов (Ag) серебро
Габаритные размеры L*W*H 56х56х68 mm
Метод монтажа механический на панель
Метод монтажа электрический пайка
Установочные размеры Ø 10,2 mm
Тип ручки ручка поставляется отдельно
Фактическая маркировка отсутствует

Технические характеристики

Коммутируемое напряжение 350 V
Коммутируемый ток 3 А
Максимальная коммутир.мощность 70 W AC; 15 W DC
Сопротивление контактов не более 20 mΩ
Сопротивление изоляции 5000 MΩ
Электрическая прочность изоляции 5000 V
Электрическая схема контактов галетных переключателей 5 положений 4 направления
Вид нагрузки активная, индуктивная
Режим работы (род тока) постоянный, переменный
Емкость между каждыми двумя контактами, не более 1,5 pf
Емкость между корпусом и любым контактом, не более 5 pf

Условия эксплуатации

Климатическое исполнениеi УХЛ
Интервал рабочих температур от -60 до +85°C
Ресурс 5000 циклов
Минимальная наработка 5 000 час.
Относительная влажность 98% при температуре +35°С
Атмосферное давление от 0,66 до 106,6 kPa
Минимальный срок сохраняемости, лет 12

Полные аналоги

Функциональные аналоги

Возможные аналоги

Загрузка...
Принимаем заказы на товары,
не вошедшие в каталог

Пришлите маркировку необходимого вам товара.
Мы предоставим Вам наилучшие условия по поставке!

Оформить заявку

Похожие товары

Артикул (ID): SN-3447
ПГК-5П4Н-К8Ш 5 положений 4 направления 3A(Ампер) 350V(Вольт) вал ВС-3 (сплошной с прямой лыской) Переключатель галетный, УС0.360.059 ТУ
  • 180 OZON.
Артикул (ID): OP-1574
ПГК-5П4Н-6А 5 положений 4 направления 3A(Ампер) 350V(Вольт) вал ВС-3 (сплошной с прямой лыской) Переключатель галетный, УС0.360.059 ТУ
  • 180 OZON.
Артикул (ID): TN-2769
ПГ2-6-12П2Н ВК 12 положений 2 направления 0,5A(Ампер) 130V(Вольт) вал ВС-3 (сплошной с прямой лыской) Переключатель галетный, АУБК.642110.004 ТУ
  • 2700 OZON.
Артикул (ID): TN-2360
НА 4.252.009 Ручка-клювик приборная, отв.6мм, длина 48мм
  • 37 1 шт.
  • 33 от 5 шт.
Артикул (ID): OP-1893
ПГК-11П2Н-6А 11 положений 2 направления 3А(Ампер) 350В(Вотльт) вал ВС-3 Переключатель галетный, "5"
  • 690 1 шт.
  • 690 OZON.
Артикул (ID): TN-5991
ПГК-11П2Н-К8 11 положений 2 направления 3А 350В Вал ВС-3 Переключатель галетный, "1"
  • 690 1 шт.
  • 690 OZON.
Артикул (ID): SN-3129
ПГК-11П2Н-К8 11 положений 2 направления 3А 350В вал ВС-3 Переключатель галетный, "5"
  • 690 1 шт.
  • 690 OZON.
Артикул (ID): TN-5983
ПГК-11П3Н-8 11 положений 3 направления 3A(Ампер) 350V(Вольт) вал ОС-6 (гладкий с конической лыской с резьбой) Переключатель галетный
  • 1300 1 шт.
  • 1300 OZON.
Артикул (ID): KT-3234
ПГК-5П4К-6 5 положений 4 направления 3A(Ампер) 350V(Вольт) вал ВС-3 (сплошной с косой лыской) Переключатель галетный, "5"
  • 575 OZON.
Артикул (ID): TN-997
ПГК-11П2Н-15А 11 положений 2 направления 3A(Ампер) 350V(Вольт) вал ВС-3 Переключатель галетный "1"
  • 690 1 шт.
  • 690 OZON.
Артикул (ID): KP-8911
ПГК-5П4Н-8А 5 положений 4 направления 3A(Ампер) 350V(Вольт) вал ВС-3 (сплошной с прямой лыской) Переключатель галетный..
  • 342 OZON.

Недавно просмотренные товары

Принимаем к оплате
IP Electron в соцсетях