68 554 товаров в наличии и на заказ

Электронные компоненты и расходные материалы

$
Настройка отображения валюты
Полный каталог
Уважаемые клиенты, обращаем ваше внимание! Цены на сайте указаны без НДС!
Счета выставляются:
  • от ИП Павлов: с НДС 5% сверх цены, указанной на сайте
  • от ООО «Ай Пи Электрон» с 22% НДС сверх цены, указанной на сайте

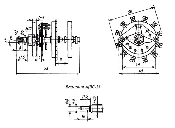
ПГК-11П3Н-К8 11 положений 3 направления 3A(Ампер) 350V(Вольт) вал ВС-3(сплошной с пямой лыской) Переключатель галетный, АГ0.360.204ТУ.(арт. BV-2802)

АООТ Псковский з-д радиодеталей; 3 платы (галеты); керамика; ручка поставляется отдельно; " 1" - ОТК; галетник, поворотный переключатель, многопозиционный переключатель, кулачковый переключатель…; ПГК…, ПГГ…, KTZ…; межплатное расстояние 8 mm

Переключатель галетный ПГК-11П3Н-К8 предназначен для коммутации электрических цепей постоянного тока, а также переменного тока низкой и высокой частоты. Расшифровка: ПГК - переключатель галетный с керамическими платами; 11П - число рабочих положений; 3Н - число направлений; 8- расстояние между платами в мм, отсутствие буквы К - исполнение вала ВС-3. Максимальная коммутируемая мощность 70W AC, 15W DC; максимально коммутируемый ток 3A AC, 0,5A DC; рабочее напряжение 350V. Ручка поставляется отдельно. В качестве ручки может использоваться любая с внутренним диаметром - 6мм (отверстие для винта сверху). Пример: Клювик для ПГК (6 мм) метал. втулка, Ручка приборная 4.252 под П2Г (6 мм) клювик и тд. Вся дополнительная информация находится во вложении на товар, см pdf -файл.

Подробнее
Заметили
ошибку ?
Сообщите нам

Общая информация

Наименование ПГК-11П3Н-К8 11 положений 3 направления 3A(Ампер) 350V(Вольт) вал ВС-3(сплошной с пямой лыской) Переключатель галетный, АГ0.360.204ТУ.
Торговая марка АООТ Псковский з-д радиодеталей
Страна изготовления СССР
Дата изготовленияi 1976-1991
Нормы и требования АГ0.360.204ТУ
Вид приемки i "1"- ОТК
Масса изделия, гр 104
Наличие паспорта - этикетки нет
Транслитерация PGK-11P3N-K8 11 positions 3 directions 3A(Ampere) 350V(Volt) shaft VS-3(solid with fifth bald spot) Galetny switch, US0.360.059 TU
Состояние упаковки самоупаковка

Основные параметры

Функциональная группа Переключатели
Функциональный тип Переключатель галетный
Серия переключателя ПГК
Конструкция переключателя открытого типа (без корпуса)
Количество направлений 3 направления
Количество положений 11 положений
Расстояние между платами межплатное расстояние 8 mm
Количество плат (галет) 3 платы (галеты)
Материал галет (плат) керамика
Угол поворота, градусы 30
Тип валаi сплошной с прямой лыской (ВС-3)
Форма вала круглая
Диаметр вала (выступающей части) 6 mm
Длина вала (длина выступающей части) 20 mm
Количество выводов 36
Вид выводов под пайку
Материал выводов латунь
Покрытие выводов (Ag) серебро
Габаритные размеры L*W*H 56х56х76 mm
Метод монтажа механический на панель (М10х0,75 L=10 mm)
Метод монтажа электрический пайка
Установочные размеры крепежное отверстие d = 10,2 mm
Диаметр установочного отверстия 10,2 mm
Толщина панели 1 - 5 mm
Тип ручки ручка поставляется отдельно
Фактическая маркировка отсутствует
Аналогичные серии ПГК…, ПГГ…, KTZ…
Другие наименования галетник, поворотный переключатель, многопозиционный переключатель, кулачковый переключатель…

Технические характеристики

Коммутируемое напряжение 350 V
Коммутируемый ток 3 А
Максимальная коммутир.мощность 70 W
Усилие или момент переключения 0,39 – 1,17 N·m
Сопротивление контактов не более 20 mΩ
Сопротивление изоляции 5000 MΩ
Электрическая прочность изоляции 5000 V
Электрическая схема контактов галетных переключателей 11 положений 3 направления
Вид нагрузки активная, индуктивная
Режим работы (род тока) постоянный, переменный
Емкость между каждыми двумя контактами, не более 1,5 pf
Емкость между корпусом и любым контактом, не более 5 pf

Условия эксплуатации

Климатическое исполнениеi УХЛ
Интервал рабочих температур от -60 до +85°C
Ресурс 5000 переключений
Минимальная наработка 5 000 час.
Относительная влажность 98% при температуре +35°С
Атмосферное давление от 0,66 до 106,6 kPa
Минимальный срок сохраняемости, лет 12 лет
Загрузка...
Принимаем заказы на товары,
не вошедшие в каталог

Пришлите маркировку необходимого вам товара.
Мы предоставим Вам наилучшие условия по поставке!

Оформить заявку

Похожие товары

Артикул (ID): BV-2819
ПГК-11П2Н-К13 11 положений 2 направления 3A(Ампер) 350V(Вольт) вал ВС-3 (сплошной с прямой лыской) Переключатель галетный, АГ0.360.204ТУ
Артикул (ID): BV-2811
ПГК-8П2Н-8К 8 положений 2 направления 3A(Ампер) 350V(Вольт) вал ВС-3 (сплошной с прямой лыской) Переключатель галетный, УС0.360.059 ТУ
  • 550 1 шт.
Артикул (ID): BV-2809
ПГК-8П2Н-8К 8 положений 2 направления 3A(Ампер) 350V(Вольт) вал ВС-3 (сплошной с прямой лыской) Переключатель галетный, АГ0.360.204ТУ
  • 550 1 шт.
Артикул (ID): BV-2808
ПГК-2П8Н-8А 2 положения 8 направлений 3A(Ампер) 350V(Вольт) вал ВС-3 (сплошной с прямой лыской) Переключатель галетный, АГ0.360.204ТУ
  • 495 1 шт.
Артикул (ID): BV-2800
ПГК-9П2Н-8 9 положений 2 направления 3A(Ампер) 350V(Вольт) вал ОС-6 (гладкий с конической лыской с резьбой) Переключатель галетный, УС0.360.059 ТУ
  • 559 1 шт.
Артикул (ID): BV-2763
RCL371-4-16-2-16F 2 положения 16 направлений 0,5A(Ампер) 30V(Вольт) вал 16mm (F - гладкий сплошной с прямой лыской) Переключатель галетный.
  • 446 1 шт.
Артикул (ID): BV-2754
ПГГ-5П8Н-8 5 положений 6 направлений 3A(Ампер) 350V(Вольт) вал ОС-6 (гладкий с конической лыской с резьбой) Переключатель галетный, АГ0.360.204ТУ
  • 1250 1 шт.
Артикул (ID): BV-2562
ПГК-5П4Н-8В 5 положений 4 направления 3A(Ампер) 350V(Вольт) вал ОС-6 (гладкий с конической лыской с резьбой) Переключатель галетный
  • 575 1 шт.
Артикул (ID): CC-01850
Кодирующий переключатель L-KLS7-RS31007
  • 135.77 1 шт.
Артикул (ID): CC-01837
Переключатель L-KLS7-MT-07
  • 22.2 1 шт.
Артикул (ID): CC-01836
Переключатель L-KLS7-MT-05
  • 13.97 1 шт.
Артикул (ID): CC-01784
Переключатель п2г3-5п2н год вып.: 85-86
  • 1424.23 1 шт.
Артикул (ID): CC-01783
Галетный переключатель RCL371-2-4-6
  • 349.91 1 шт.
Артикул (ID): CC-01782
Переключатель галетный ПМ2 3П15Н
  • 342.76 1 шт.
Артикул (ID): CC-01781
Переключатель галетный ПМ2 3П9Н
  • 342.76 1 шт.

Недавно просмотренные товары

Принимаем к оплате
IP Electron в соцсетях