59 064 товаров в наличии и на заказ

Электронные компоненты и расходные материалы

$
Настройка отображения валюты
Полный каталог
Скидка на  Переключатели галетные
-20%

МП1-1В Микропереключатель.(арт. ZP-6321)

on-(on); кнопка

МП5 Микропереключатель – однополюсный, малогабаритный с одним переключающим контактом. Микропереключатель с одинарным разрывом цепи предназначен для коммутации электрических цепей постоянного и переменного тока  в радиоэлектронной аппаратуре. Выпускаются в климатическом исполнении В, и предназначены для объемного монтажа. Вся дополнительная информация находится во вложении на товар, см. pdf – файл.

Подробнее
Заметили
ошибку ?
Сообщите нам

Общая информация

Наименование МП1-1В Микропереключатель.
Торговая марка No name Russia
Нормы и требования УС0.360.074 ТУ
Дата изготовленияi дата не указана
Масса изделия, гр 3,5

Основные параметры

Функциональная группа Коммутационные изделия
Функциональный тип микропереключатель
Серия переключателя МП
Число полюсов однополюсный
Количество положений 2
Наличие фиксации нет
Количество фиксированных положений 1
Усилие срабатывания 0,98-2,94 N
Усилие обратного срабатывания 0,39 N
Метод монтажа механический на панель, крепление корпуса винтовое
Метод монтажа электрический пайка
Способ присоединения проводов пайка
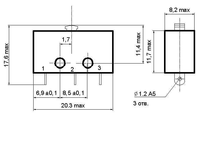
Установочные размеры 8,5 mm расстояние между монтажными отверстиями
Алгоритм работыi on-(on)
Электрическая схема контактов микропереключателей 1 перекл.
Наличие индикации (цвет) нет
Габаритные размеры L*W*H 20,3х8,2х17,6 mm
Высота корпуса 11,7 mm
Длина корпуса 20,3 mm
Ширина корпуса 8,2 mm
Материал корпуса карболит
Вид толкателя кнопка
Рабочий ход толкателя 0,15 - 0,6 mm
Материал ручки(кнопки)-толкателя карболит
Покрытие ручки толкателя без покрытия
Цвет толкателя коричневый
Высота ручки толкателя 3 mm
Вид выводов лепесток
Материал выводов латунь
Покрытие выводов (Ag) серебро

Технические характеристики

Номинальный ток 0,2 A
Номинальное напряжение 30 VDC; 250 VAC
Коммутируемая мощность, max 300 W

Условия эксплуатации

Интервал рабочих температур от -60 до +125°C
Минимальная наработка 10 000 час.
Ресурс 15000 циклов
Загрузка...
Принимаем заказы на товары,
не вошедшие в каталог

Пришлите маркировку необходимого вам товара.
Мы предоставим Вам наилучшие условия по поставке!

Оформить заявку

Похожие товары

Артикул (ID): ZS-614
МПН-1 Микропереключатель
  • 1313.1 1 шт.
  • 1094.25 от 10 шт.
  • 1094.25 от 100 шт.
  • 1313.1 OZON.
Артикул (ID): ZS-354
МП50-1 Микропереключатель
  • 1032.75 1 шт.
  • 860.63 от 10 шт.
  • 860.63 от 100 шт.
  • 1032.75 OZON.
Артикул (ID): ZS-355
МП50-2 Микропереключатель
  • 1032.75 1 шт.
  • 860.63 от 10 шт.
  • 860.63 от 100 шт.
  • 1032.75 OZON.
Артикул (ID): KK-13420
Д703|||2025|Электроавтомат|"пятиугольник"
  • 864 1 шт.
  • 864 OZON.
Артикул (ID): TB-9803
LXW5-11M под винт толкатель 15A(Ампер) 250VAC(Вольт) Микропереключатель, RUICHI
  • 167.7 1 шт.
  • 154.52 от 10 шт.
  • 167.7 OZON.
Артикул (ID): ZL-8581
МП1-1 Малогабаритный микропереключатель.
  • 1098.14 1 шт.
  • 915.12 от 10 шт.
  • 915.12 от 100 шт.
  • 1098.14 OZON.
Артикул (ID): TB-9140
Уценка МП2101 исп.3 под винт толкатель 2,5A(Ампер) 220VDC(Вольт) 380VAC(Вольт) Микропереключатель, ТУ 16-526.322-78
  • 115 1 шт.
  • 115 OZON.
Артикул (ID): ZL-4846
ПМ22-1 под пайку 4A(Ампер) 36VDC(Вольт) 6A(Ампер) 250VAC(Вольт) Микропереключатель, 2020г
  • 858.55 1 шт.
  • 715.46 от 10 шт.
  • 858.55 OZON.
Артикул (ID): ZK-1678
Z-15GD-B кнопка с дополнительным ходом Микропереключатель
  • 100.73 1 шт.
  • 100.73 OZON.
Артикул (ID): ZN-8610
А801-А под пайку толкатель 15А(Ампер) 27VDC(Вольт) 8A(Ампер) 220VAC(Вольт) Микропереключатель
  • 399.17 1 шт.
  • 332.64 от 10 шт.
  • 332.64 от 100 шт.
  • 399.17 OZON.
Артикул (ID): ZN-8609
А801 под пайку кнопка 15А(Ампер) 27VDC(Вольт) 8A(Ампер) 220VAC(Вольт) Микропереключатель.,
  • 239.51 1 шт.
  • 199.59 от 10 шт.
  • 239.51 OZON.
Артикул (ID): ZO-3007
ПМ22-2 под пайку 4A(Ампер) 36VDC(Вольт) 6A(Ампер) 250VAC(Вольт) Микропереключатель
  • 463.3 1 шт.
  • 386.09 от 10 шт.
  • 386.09 от 100 шт.
  • 463.3 OZON.
Артикул (ID): ZK-8786
Z-15GQ22-B под винт толкатель с роликом 15A(Ампер) 250VAC(Вольт) Микропереключатель
  • 155.41 1 шт.
  • 129.51 от 10 шт.
  • 129.51 от 100 шт.
  • 155.41 OZON.
Артикул (ID): ZN-8922
Z-15G-B кнопка 15A 250VAC Микропереключатель
  • 96.48 1 шт.
  • 80.4 от 10 шт.
  • 80.4 от 100 шт.
  • 96.48 OZON.
Артикул (ID): ZN-8914
SX-06(SX-A1-WS) под пайку клавиша 0,5A(Ампер) 48VDC(Вольт) Микропереключатель
  • 15.84 1 шт.
  • 13.2 от 10 шт.
  • 13.2 от 100 шт.
  • 15.84 OZON.

Недавно просмотренные товары

Принимаем к оплате
IP Electron в соцсетях