68 554 товаров в наличии и на заказ

Электронные компоненты и расходные материалы

$
Настройка отображения валюты
Полный каталог
Уважаемые клиенты, обращаем ваше внимание! Цены на сайте указаны без НДС!
Счета выставляются:
  • от ИП Павлов: с НДС 5% сверх цены, указанной на сайте
  • от ООО «Ай Пи Электрон» с 22% НДС сверх цены, указанной на сайте

МП1-1В Малогабаритный микропереключатель, ОЮ0.360.007ТУ(арт. BV-2799)

on-(on); Кузбассрадио; кнопка

МП1-1В Микропереключатель – однополюсный, малогабаритный с одним переключающим контактом. Предназначены для коммутации электрических цепей постоянного и переменного тока при напряжении не более 250 В и силе тока до 2,0 А. Используются для работы в качестве микропереключателей в системах управления и сигнализации электронной аппаратуры общего и специального назначения. Микропереключатели типа МП выпускаются 2 типоразмеров и 5 типономиналов. Микропереключатели выполнены в карболитовых корпусах и крепятся двумя винтами через отверстия в корпусе. Конструкция контактных выводов обеспечивает подсоединение монтажных проводов при помощи пайки. Вся дополнительная информация находится во вложении на товар, см. pdf – файл.

Подробнее
Заметили
ошибку ?
Сообщите нам

Общая информация

Наименование МП1-1В Малогабаритный микропереключатель, ОЮ0.360.007ТУ
Торговая марка Кузбассрадио
Страна происхождения СССР
Нормы и требования ОЮ0.360.007ТУ
Дата изготовленияi 1976-1991
Вид приемки i "5"- ВП, ПЗ
Масса изделия, гр 2,01
Транслитерация MP1-1V Small-sized microswitch, OYu0.360.007TU
Наличие паспорта - этикетки нет
Состояние упаковки самоупаковка

Основные параметры

Функциональная группа Коммутационные изделия
Функциональный тип микропереключатель
Серия переключателя МП
Число полюсов однополюсный
Количество положений 2
Наличие фиксации нет
Количество фиксированных положений 1
Усилие срабатывания 0,98-2,25 N
Усилие обратного срабатывания 0,39 N
Метод монтажа механический на панель, крепление корпуса винтовое
Метод монтажа электрический пайка
Способ присоединения проводов пайка
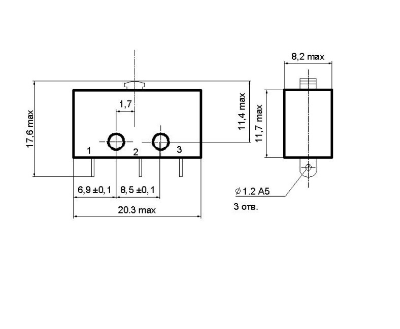
Установочные размеры 8,5 mm расстояние между монтажными отверстиями
Алгоритм работыi on-(on)
Наличие индикации (цвет) нет
Габаритные размеры L*W*H 20,3х8,2х17,6 mm
Высота корпуса 17,6 mm
Длина корпуса 20,3 mm
Ширина корпуса 8,2 mm
Материал корпуса карболит
Типоразмер корпуса МР-1
Вид толкателя кнопка
Рабочий ход толкателя 0,17 - 0,5 mm
Материал ручки(кнопки)-толкателя карболит
Покрытие ручки толкателя без покрытия
Цвет толкателя коричневый
Высота ручки толкателя 3 mm
Вид выводов лепесток
Материал выводов латунь
Покрытие выводов (Ag) серебро
Фактическая маркировка МП1-1В

Технические характеристики

Номинальный ток 0,2 A
Номинальное напряжение 30 VDC; 250 VAC
Коммутируемая мощность, max 250 W
Сопротивление контактов не более 50 mΩ
Сопротивление изоляции 1000 MΩ

Условия эксплуатации

Интервал рабочих температур от -60 до +125°C
Климатическое исполнениеi В - всеклиматическое исполнение
Минимальная наработка 5000 час.
Ресурс 15000 циклов
Загрузка...
Принимаем заказы на товары,
не вошедшие в каталог

Пришлите маркировку необходимого вам товара.
Мы предоставим Вам наилучшие условия по поставке!

Оформить заявку

Похожие товары

Артикул (ID): BV-2810
МП5В под пайку кнопка 0,2A(Ампер) 30VDC(Вольт) 250VAC(Вольт) Микропереключатель, ОЮ0.360.007ТУ
  • 250 1 шт.
Артикул (ID): BV-2807
МП5 под пайку кнопка 0,2A(Ампер) 30VDC(Вольт) 250VAC(Вольт) Микропереключатель, ОЮ0.360.007ТУ
  • 250 1 шт.
Артикул (ID): BV-2798
МП1-1 Малогабаритный микропереключатель, ОЮ0.360.007ТУ.
  • 345 1 шт.
  • 325 от 5 шт.
Артикул (ID): BV-2789
МП1-1 Малогабаритный микропереключатель, ОЮ0.360.007ТУ
  • 345 1 шт.
  • 325 от 5 шт.
Артикул (ID): BV-2777
МП3-1В под пайку кнопка 0,2A(Ампер) 30VDC(Вольт) 250VAC(Вольт) Микропереключатель, ОЮ0.360.007ТУ
  • 125 1 шт.
  • 110 от 5 шт.
Артикул (ID): BV-2773
МП3-1 под пайку кнопка 0,2A(Ампер) 30VDC(Вольт) 250VAC(Вольт) Микропереключатель, ОЮ0.360.007ТУ
  • 125 1 шт.
  • 110 от 5 шт.
Артикул (ID): KK-15411
ПМ39|||2025|Смоленск|W з/уп
  • 468 1 шт.
Артикул (ID): CC-01903
Микропереключатель SM5-05N-45G-G
  • 102.7 1 шт.
Артикул (ID): CC-01902
Микропереключатель Z-15GD-B
  • 101.62 1 шт.
Артикул (ID): CC-01901
Микропереключатель DM1-01P-3-1
  • 7.3 1 шт.
Артикул (ID): CC-01900
Микропереключатель G15-06PM03-40-13
  • 36.67 1 шт.
Артикул (ID): CC-01898
Микропереключатель MSW-01B
  • 32.08 1 шт.
Артикул (ID): CC-01897
Микропереключатель L-KLS7-KS01-L
  • 25.19 1 шт.
Артикул (ID): CC-01896
Микропереключатель L-KLS7-KS02-BR
  • 25.19 1 шт.
Артикул (ID): CC-01894
Микропереключатель MSW-02B on-on
  • 33.4 1 шт.

Недавно просмотренные товары

Принимаем к оплате
IP Electron в соцсетях