58 991 товара в наличии и на заказ

Электронные компоненты и расходные материалы

$
Настройка отображения валюты
Полный каталог
Скидка на  Переключатели галетные
-20%

К53-4 4,7мкФ(mkF) 6В(V) ±20% Конденсатор электролитический, ниобиевый, герметизированный, ОЖ0.464.037 ТУ(арт. TN-1811)

ПО Элитан, Харьков; " 5" - ВП, ПЗ; ОЖ0.464.037 ТУ; К53-4А..., К53-19..., К53-21..., YHC ; конденсатор оксидно-полупроводниковый

К53-4 4,7мкФ(mkF) 6В(V) ±20% Конденсатор электролитический, ниобиевый, полярный. Структура условного обозначения: К53-4 – серия и конструктивное исполнение корпуса конденсатора; 4,7мкФ – номинальная ёмкость; 6В – номинальное напряжение; ±20% – допустимое отклонение ёмкости. Предназначены для работы в качестве встроенных элементов внутреннего монтажа аппаратуры в цепях постоянного и пульсирующего токов. Применяются в изделиях общего назначения, бортовой и наземной аппаратуре связи, приборах, работающих в жёстких условиях и требующих повышенной стабильности электропараметров. Вся дополнительная информация находится во вложении на товар, см. pdf - файл.

Подробнее
Заметили
ошибку ?
Сообщите нам

Общая информация

Наименование К53-4 4,7мкФ(mkF) 6В(V) ±20% Конденсатор электролитический, ниобиевый, герметизированный, ОЖ0.464.037 ТУ
Торговая марка ПО Элитан, Харьков
Страна изготовления СССР
Нормы и требования ОЖ0.464.037 ТУ
Вид приемки i "5"- ВП, ПЗ
Масса изделия, гр 0,49
Состояние упаковки самоупаковка
Наличие паспорта - этикетки нет
Транслитерация K53-4 4,7μF(mkF) 6V(V) ±20% Electrolytic capacitor, niobium, sealed, OZH0.464.037 TU

Основные параметры

Функциональная группа Конденсаторы
Функциональный тип Ниобиевые конденсаторы
Серия конденсатора К53-4
Герметичность герметизированный
Материал диэлектрика пентаоксид ниобия
Метод монтажа пайка
Количество выводов 2
Вид выводов проволочные
Материал выводов латунь
Покрытие выводов лужение
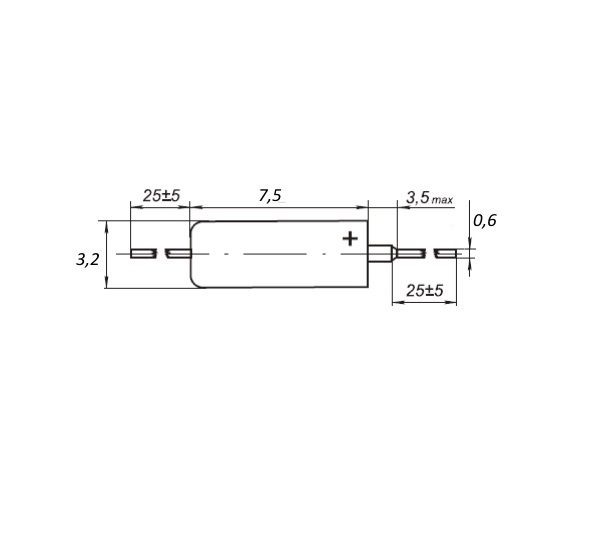
Диаметр выводов 0,6 mm
Длина выводов 27 mm
Материал корпуса алюминиевый сплав
Покрытие корпуса без покрытия
Цвет корпуса серый
Габаритные размеры L*W*H 63х3,2х3,2 mm
Рабочее положение любое
Фактическая маркировка 4 4,7±20% 6В
Другие наименования конденсатор оксидно-полупроводниковый
Аналогичные серии К53-4..., К53-4А..., К53-19..., К53-21..., YHC

Технические характеристики

Номинальная емкость 4,7
Единицы измерения емкости μF (Микрофарады)
Допустимое отклонение емкостиi ±20 %
Номинальное напряжение 6 V
Тангенс угла потерь 15 %
Ток утечки, max 10 μА
Загрузка...
Принимаем заказы на товары,
не вошедшие в каталог

Пришлите маркировку необходимого вам товара.
Мы предоставим Вам наилучшие условия по поставке!

Оформить заявку

Похожие товары

Артикул (ID): SN-3484
К53-21 33мкФ(mkF) 6,3В(V) ±20% Конденсатор электролитический, ниобиевый, полярный, ОЖ0.464.157 ТУ
  • 49 1 шт.
  • 45 от 5 шт.
  • 39 от 10 шт.
Артикул (ID): TN-1810
К53-4 22мкФ(mkF) 15В(V) ±10% Конденсатор электролитический, ниобиевый, герметизированный, ОЖ0.464.037 ТУ
  • 49 1 шт.
Артикул (ID): SN-3435
К53-14 6,8мкФ(mkF) 30В(V) ±20% Конденсатор электролитический, алюминиевый, герметичный, ОЖО.464.139 ТУ
  • 49 1 шт.
  • 45 от 5 шт.
Артикул (ID): SN-4281
К53-21 47мкФ(mkF) 6,3В(V) ±20% Конденсатор электролитический, ниобиевый, полярный, ОЖ0.464.157 ТУ
  • 49 1 шт.
  • 45 от 5 шт.
Артикул (ID): KT-2303
К53-4 22мкФ(mkF) 15В(V) ±20% Конденсатор электролитический, ниобиевый, герметизированный, ОЖ0.464.037 ТУ
  • 49 1 шт.
  • 45 от 5 шт.
Артикул (ID): KK-08251
К53-52-16В-22 мкФ||5|2003|Элеконд|10%"
  • 37.8 1 шт.
  • 37.8 .
Артикул (ID): KK-08252
К53-52-16В-22 мкФ||5|2005|Элеконд|10%"
  • 43.2 1 шт.
  • 43.2 .
Артикул (ID): KK-08253
К53-52-16В-22 мкФ||5|2005|Элеконд|20%"
  • 43.2 1 шт.
  • 43.2 .
Артикул (ID): KK-08254
К53-52-16В-22 мкФ||5|2005|Элеконд|20%,з/уп"
  • 43.2 1 шт.
  • 43.2 .
Артикул (ID): KK-08255
К53-52-20В-33 мкФ||5|2001||20%,з/уп"
  • 108 1 шт.
  • 108 .
Артикул (ID): KK-08256
К53-52-20В-33 мкФ||5|2007||20% з/уп
  • 180 1 шт.
  • 180 .
Артикул (ID): TB-7920
К53-21 100мкФ(mkF) 6,3В(V) ±20% Конденсатор электролитический, ниобиевый, полярный, ОЖ0.464.157 ТУ
  • 45 1 шт.
  • 39 от 5 шт.
Артикул (ID): TB-8706
К53-21 100мкФ(mkF) 10В(V) ±20% Конденсатор электролитический, ниобиевый, полярный, ОЖ0.464.157 ТУ.
  • 45 1 шт.
  • 39 от 5 шт.
Артикул (ID): TB-8863
К53-4 6,8мкФ(mkF) 20В(V) ±10% Конденсатор электролитический, ниобиевый, герметизированный, ОЖ0.464.037 ТУ
  • 49 1 шт.
  • 49 .
Артикул (ID): TF-338
К53-4А 4,7мкФ(mkF) 16В(V) ±20% Конденсатор электролитический, ниобиевый, герметизированный, ОЖ0.464.149 ТУ
  • 49 1 шт.

Недавно просмотренные товары

Принимаем к оплате
IP Electron в соцсетях