59 088 товаров в наличии и на заказ

Электронные компоненты и расходные материалы

$
Настройка отображения валюты
Полный каталог
Скидка на  Переключатели галетные
-20%

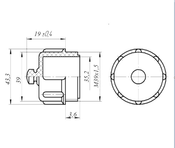
Заглушка кабельная НРЗМ39х1,5/У для 2РМ(Д)Т36/ШР36 пластик, ГОСТ 25930-83(арт. TD-4064)

Адекор; М39х1,5; наружная резьба; 2РМ(Д)Т..., 2РМГ(П)..., ОНЦ-РГ-09..., (С)ШР..., ШРГ...; -; заглушка, крышка для разъемов...

Заглушка кабельная НРЗМ39х1,5/У для 2РМ(Д)Т36/ШР36 пластик, без цепочки. Структура условного обозначения: НРЗМ – тип заглушки (наружная резьба); 39х1,5 – размер резьбы. Заглушка предназначена для защиты контактной части соединителя от механических воздействий, попадания мусора, пыли и посторонних предметов при хранении, транспортировке и в иных условиях. Заглушка кабельная НРЗМ39х1,5 устанавливается на кабельные соединители 2РМ, 2РТ(Т), 2РМГ, (С)ШР, 2РТ(Т), ОНЦ-РГ-09… вместо ответных частей. Вся дополнительная информация находится во вложении на товар, см. pdf - файл.

Подробнее
Заметили
ошибку ?
Сообщите нам

Общая информация

Наименование Заглушка кабельная НРЗМ39х1,5/У для 2РМ(Д)Т36/ШР36 пластик, ГОСТ 25930-83
Страна изготовления РОССИЯ
Торговая марка Адекор
Нормы и требования ГОСТ 25930-83
Дата изготовленияi дата не указана
Вид приемки i "1"- ОТК
Масса изделия, гр 4,82
Доупаковка промасленная бумага
Состояние упаковки самоупаковка
Транслитерация Cable plug NRZM39x1.5/U for 2RM(D)T36/ShR36 plastic, GOST 25930-83

Основные параметры

Функциональная группа Аксессуары для цилиндрических разъемов
Функциональный тип Заглушка разъемная
Серия заглушек НРЗМ...
Исполнение заглушек Исполнение 1 (без крепления)
Типономинал / Типоконструкция заглушка кабельная
Условный размер корпуса 36
Диаметр установочного отверстия d = 39 mm
Метод сочленения резьбовой
Вид резьбы наружная резьба
Размер резьбы М39х1,5
Длина резьбы 3,6 mm
Взаимосочленение 2РМ(Д)Т..., 2РМГ(П)..., ОНЦ-РГ-09..., (С)ШР..., ШРГ...
Габаритные размеры L*W*H 43,3x22,5 mm
Диаметр корпуса 43,3 mm
Высота корпуса 22,5 mm
Материал корпуса пластик (ПА6 210/310)
Покрытие корпуса без покрытия
Цвет корпуса черный
Фактическая маркировка отсутствует
Наличие паспорта - этикетки нет
Рабочее положение любое
Другие наименования заглушка, крышка для разъемов...
Аналогичные серии НВР8.057...

Условия эксплуатации

Интервал рабочих температур от -70 до +80°C
Макс. срок хранения 15 лет

Полные аналоги

Заглушка кабельная НРЗМ39х1,5 для 2РМ(Д)Т36/ШР36 пластик, фото
Артикул (ID): TN-1903
Заглушка кабельная НРЗМ39х1,5 для 2РМ(Д)Т36/ШР36 пластик
НРЗМ39х1,5, фото
НРЗМ39х1,5
44-08 пластик  RUICHI, фото
44-08 пластик RUICHI
Заглушка кабельная 39х1,5, фото
Заглушка кабельная 39х1,5

Функциональные аналоги

44-08 металл RUICHI, фото
44-08 металл RUICHI
Заглушка кабельная 39х1,5, фото
Заглушка кабельная 39х1,5
ЭК 2РМТ-36-1  Завод Элекон, фото
ЭК 2РМТ-36-1 Завод Элекон
ГЕ6.433.044-08 ПРАО ЗАВОД ЛТАВА, фото
ГЕ6.433.044-08 ПРАО ЗАВОД ЛТАВА
Загрузка...
Принимаем заказы на товары,
не вошедшие в каталог

Пришлите маркировку необходимого вам товара.
Мы предоставим Вам наилучшие условия по поставке!

Оформить заявку

Похожие товары

Артикул (ID): TN-1873
Заглушка блочная ЭП2РМТ-36-1 для 2РМ(Д)Т36 металл, с цепочкой, АШДК.434410.062ТУ
Артикул (ID): TD-4049
Заглушка блочная РЗМ39х1,5/У для 2РМ(Д)Т36/ШР36 пластик, ГОСТ 25930-83
Артикул (ID): TN-1900
Заглушка блочная РЗМ39х1,5 для 2РМ(Д)Т36/ШР36 пластик с леской
  • 63 1 шт.
  • 48 от 5 шт.
  • 63 OZON.
Артикул (ID): TN-1903
Заглушка кабельная НРЗМ39х1,5 для 2РМ(Д)Т36/ШР36 пластик
  • 63 OZON.
Артикул (ID): ZA-1681
Заглушка блочная ЭП2РМТ-39-1 для 2РМ(Д)Т39 металл, с цепочкой, АШДК.434410.062ТУ
Артикул (ID): KT-3964
Заглушка кабельная ЭК-18 для СНЦ23 металл, с цепочкой, НКЦС.434410.112ТУ
Артикул (ID): KT-4194
Заглушка блочная ЭП-ОНЦ-22 для ОНЦ-БС-22 металл, с цепочкой, АШДК.434410.088ТУ
  • 4400 1 шт.
Артикул (ID): KT-4197
Заглушка блочная ЭП-22 для СНЦ23 металл, с цепочкой, НКЦС.434410.112ТУ.
  • 4400 1 шт.
Артикул (ID): KT-4200
Заглушка блочная ЭП-ОНЦ-14 для СНЦ23 металл, с цепочкой, НКЦС.434410.112ТУ
  • 4400 1 шт.
Артикул (ID): KT-4204
Заглушка кабельная ЭК-22 для СНЦ23 металл, с цепочкой, НКЦС.434410.112ТУ
  • 4400 1 шт.
Артикул (ID): KT-4207
Заглушка блочная ЭП-27 для СНЦ23 металл, с цепочкой, НКЦС.434410.112ТУ
  • 4400 1 шт.
Артикул (ID): KT-4258
Заглушка блочная ЭП-ОНЦ-14 для ОНЦ-БС-14 металл, с цепочкой, АШДК.434410.088ТУ
  • 4400 1 шт.
Артикул (ID): TB-7083
Заглушка блочная ЭП-ОНЦ-10 для ОНЦ-БС-10 металл, с цепочкой, АШДК.434410.088ТУ
Артикул (ID): TB-7210
Заглушка блочная РЗМ16х1,0 для 2РМ(Д)Т14 пластик
  • 74 1 шт.
  • 74 OZON.
Артикул (ID): TB-9930
Заглушка блочная ЭП-ОНЦ-12 для ОНЦ-БС-12 металл, с цепочкой, АШДК.434410.088ТУ
  • 5000 1 шт.

Недавно просмотренные товары

Принимаем к оплате
IP Electron в соцсетях