59 080 товаров в наличии и на заказ

Электронные компоненты и расходные материалы

$
Настройка отображения валюты
Полный каталог
Скидка на  Переключатели галетные
-20%

Заглушка блочная РЗМ16х1,0 для 2РМ(Д)Т14 пластик, ГОСТ 25930-83(арт. TD-4067)

Адекор; М16х1,0; внутренняя резьба; 2РМ(Д)Т..., 2РМГ(П)..., ОНЦ-РГ-09...; -; заглушка, крышка для разъемов...

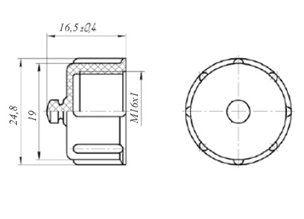
Заглушка блочная РЗМ16х1,0 для 2РМ(Д)Т14 пластик. Структура условного обозначения: РЗ – тип заглушки (внутренняя резьба); М16х1,0 – размер резьбы. Заглушка предназначена для защиты контактной части соединителя от механических воздействий, попадания мусора, пыли и посторонних предметов при хранении, транспортировке и в иных условиях. Заглушка блочная РЗМ16х1,0 устанавливается на блочные соединители 2РМ, 2РМ(Д)Т, 2РТ(Т), 2РМГ, ОНЦ-РГ-09… вместо ответных частей. Вся дополнительная информация находится во вложении на товар, см. pdf - файл.

Подробнее
Заметили
ошибку ?
Сообщите нам

Общая информация

Наименование Заглушка блочная РЗМ16х1,0 для 2РМ(Д)Т14 пластик, ГОСТ 25930-83
Страна изготовления РОССИЯ
Торговая марка Адекор
Нормы и требования ГОСТ 25930-83
Дата изготовленияi дата не указана
Вид приемки i "1"- ОТК
Масса изделия, гр 4,16
Вид упаковки самоупаковка
Доупаковка промасленная бумага
Состояние упаковки самоупаковка
Транслитерация Block plug RZM16x1.0 for 2RM(D)T14 plastic, GOST 25930-83

Основные параметры

Функциональная группа Аксессуары для цилиндрических разъемов
Функциональный тип Заглушка разъемная
Серия заглушек РЗМ...
Исполнение заглушек Исполнение 1 (без крепления)
Типономинал / Типоконструкция заглушка блочная
Условный размер корпуса 14
Диаметр установочного отверстия d = 16 mm
Метод сочленения резьбовой
Вид резьбы внутренняя резьба
Размер резьбы М16х1,0
Длина резьбы 8,6 mm
Взаимосочленение 2РМ(Д)Т..., 2РМГ(П)..., ОНЦ-РГ-09...
Габаритные размеры L*W*H 24,8х16,5 mm
Диаметр корпуса 24,8 mm
Высота корпуса 16,5 mm
Материал корпуса пластик (ПА6 210/310)
Покрытие корпуса без покрытия
Цвет корпуса черный
Фактическая маркировка отсутствует
Наличие паспорта - этикетки нет
Рабочее положение любое
Другие наименования заглушка, крышка для разъемов...
Аналогичные серии НВР8.057...

Условия эксплуатации

Интервал рабочих температур от -70 до +80°C
Макс. срок хранения 15 лет

Полные аналоги

 РЗМ16х1,0/У , фото
РЗМ16х1,0/У
45-01 пластик RUICHI, фото
45-01 пластик RUICHI
НВР8.057.002, фото
НВР8.057.002
Заглушка блочная 16х1,0, фото
Заглушка блочная 16х1,0

Функциональные аналоги

Заглушка блочная ЭП2РМТ-14-1 для 2РМ(Д)Т14 металл, с цепочкой, АШДК.434410.062ТУ , фото
Артикул (ID): TN-1795
Заглушка блочная ЭП2РМТ-14-1 для 2РМ(Д)Т14 металл, с цепочкой, АШДК.434410.062ТУ
ЭП2РМТ-14 АО Завод Элекон, фото
ЭП2РМТ-14 АО Завод Элекон
ГЕ6.433.045-12 ПРАО ЗАВОД ЛТАВА, фото
ГЕ6.433.045-12 ПРАО ЗАВОД ЛТАВА
45-01 металл RUICHI, фото
45-01 металл RUICHI
Загрузка...
Принимаем заказы на товары,
не вошедшие в каталог

Пришлите маркировку необходимого вам товара.
Мы предоставим Вам наилучшие условия по поставке!

Оформить заявку

Похожие товары

Артикул (ID): TD-4068
Заглушка блочная РЗМ16х1,0 для 2РМ(Д)Т14 пластик, ГОСТ 25930-83.
  • 74 1 шт.
  • 66 от 10 шт.
Артикул (ID): TD-4069
Заглушка кабельная НРЗМ16х1,0/У для 2РМ(Д)Т14 пластик, ГОСТ 25930-83
  • 113 1 шт.
  • 106 от 10 шт.
  • 88 от 50 шт.
Артикул (ID): TN-1795
Заглушка блочная ЭП2РМТ-14-1 для 2РМ(Д)Т14 металл, с цепочкой, АШДК.434410.062ТУ
Артикул (ID): TN-1892
Заглушка кабельная М16х1 для 2РМ(Д)Т14 фенопласт
  • 55 1 шт.
  • 40 от 5 шт.
  • 55 OZON.
Артикул (ID): KT-3962
Заглушка блочная ЭП-22 для СНЦ23 металл, с цепочкой, НКЦС.434410.112ТУ
  • 5440 1 шт.
Артикул (ID): KT-3964
Заглушка кабельная ЭК-18 для СНЦ23 металл, с цепочкой, НКЦС.434410.112ТУ
Артикул (ID): KT-4194
Заглушка блочная ЭП-ОНЦ-22 для ОНЦ-БС-22 металл, с цепочкой, АШДК.434410.088ТУ
  • 4400 1 шт.
Артикул (ID): KT-4197
Заглушка блочная ЭП-22 для СНЦ23 металл, с цепочкой, НКЦС.434410.112ТУ.
  • 4400 1 шт.
Артикул (ID): KT-4200
Заглушка блочная ЭП-ОНЦ-14 для СНЦ23 металл, с цепочкой, НКЦС.434410.112ТУ
  • 4400 1 шт.
Артикул (ID): KT-4204
Заглушка кабельная ЭК-22 для СНЦ23 металл, с цепочкой, НКЦС.434410.112ТУ
  • 4400 1 шт.
Артикул (ID): KT-4207
Заглушка блочная ЭП-27 для СНЦ23 металл, с цепочкой, НКЦС.434410.112ТУ
  • 4400 1 шт.
Артикул (ID): KT-4258
Заглушка блочная ЭП-ОНЦ-14 для ОНЦ-БС-14 металл, с цепочкой, АШДК.434410.088ТУ
  • 4400 1 шт.
Артикул (ID): TB-7083
Заглушка блочная ЭП-ОНЦ-10 для ОНЦ-БС-10 металл, с цепочкой, АШДК.434410.088ТУ
Артикул (ID): TB-7210
Заглушка блочная РЗМ16х1,0 для 2РМ(Д)Т14 пластик
  • 74 1 шт.
  • 74 OZON.
Артикул (ID): TB-9930
Заглушка блочная ЭП-ОНЦ-12 для ОНЦ-БС-12 металл, с цепочкой, АШДК.434410.088ТУ
  • 5000 1 шт.

Недавно просмотренные товары

Принимаем к оплате
IP Electron в соцсетях