74 057 товаров в наличии и на заказ

Электронные компоненты и расходные материалы

$
Настройка отображения валюты
Полный каталог
Скидка на Конденсаторы
-20%

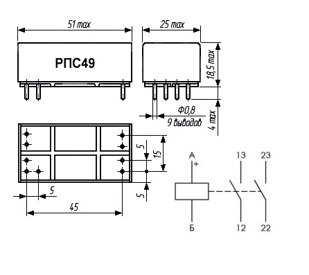
РПС49 РС4.569.900-11 2 замык. 27VDC Реле, РС0.452.083 ТУ. (арт. ZA-3303)

No name Russia; " 5" - ВП, ПЗ; -; 9 выводов; в плату; бистабильные реле, импульсные реле…; РПС49, РПС50, РПС51, РПС53, РПС54, РПС56.

Реле РПС49 РС4.569.900-11 электромагнитные слаботочные герконовые, низкочастотные, поляризованные, двухпозиционные, одностабильные. Выпускаются с двумя контактными группами и с сочетанием замыкающих и размыкающих контактов. Предназначены для коммутации электрических цепей постоянного и переменного тока частотой до 100 кГц. Реле РПС49 используются для работы в составе электронных схем управления коммутацией в оборудовании общего и специального назначения. Расшифровка условного обозначения РПС49 РС4.569.900-11: РПС - реле поляризованное слаботочное низкочастотное; 49 - порядковый номер разработки; РС4.569.900-11 - исполнение (паспорт) реле в зависимости от электрических параметров и конструктивных особенностей. Вся дополнительная информация находится во вложении на товар, см. pdf-файл.

Подробнее
Заметили
ошибку ?
Сообщите нам

Общая информация

Наименование РПС49 РС4.569.900-11 2 замык. 27VDC Реле, РС0.452.083 ТУ.
Торговая марка No name Russia
Страна изготовления РОССИЯ
Нормы и требования РС0.452.083ТУ; ГОСТ 16121-86
Дата изготовленияi дата не указана
Вид приемки i "5"- ВП, ПЗ
Масса изделия, гр 30
Транслитерация RPS49 RS4.569.900-11 2 lock. 27VDC Relay.RS0.452.083 TU
Наличие паспорта - этикетки нет
Состояние упаковки самоупаковка

Основные характеристики

Функциональная группа Реле электромагнитное
Функциональный тип реле поляризованные
Серия реле РПС49
Исполнение РС4.569.900-11
Поляризация поляризованное
Число и вид контактов 2 замык
Количество групп контактов две контактные группы
Тип реле (конструктивное исполнение) закрытое
Род тока постоянный
Варианты крепления реле без угольников
Герметичность негерметичное
Количество выводов 9 выводов
Материал выводов латунь
Покрытие выводов (Ag) серебро
Габаритные размеры L*W*H 51х25х18 mm
Материал корпуса металл
Покрытие корпуса без покрытия
Цвет корпуса серый
Длина корпуса 51 mm
Ширина корпуса 25 mm
Высота корпуса 18 mm
Метод монтажа электрический пайка
Фактическая маркировка РПС49 РС4.569.900-11
Рабочее положение любое
Другие наименования бистабильные реле, импульсные реле…
Аналогичные серии РПС49, РПС50, РПС51, РПС53, РПС54, РПС56.

Технические характеристики

Номинальное напряжение 27 V
Номинальное напряжение контактов 27 V
Номинальное напряжение катушки 27 VDC
Сопротивление обмоток 935 - 1265 Ω
Вид нагрузки активная
Частота коммутации 100 Hz
Сопротивление изоляции 1000 MΩ
Сопротивление контактов не более 0,25 Ω
Синусоидальная вибрация: :
- амплитуда ускорения 40 m/c²
- диапазон частот 5-200 Hz
Электрическая прочность изоляции между токоведущими цепями 500 V
Механический удар многократное действие: длительность действия 2 - 6 ms
Механический удар многократное действие: пиковое ударное ускорение 350 g
Механический удар однократное действие: длительность действия 0,1 - 2 ms
Механический удар однократное действие: пиковое ударное ускорение 200 m/c²

Условия эксплуатации

Интервал рабочих температур от -10 до 70°C
Климатическое исполнениеi УХЛ
Относительная влажность 98% при температуре 35°С
Минимальный срок сохраняемости, лет 12 лет

Оставить отзыв

Оценка:
              
Преимущества *
Недостатки *
Комментарий *
Ваше Имя *
Эл. почта *
Введите текст с картинки:
* Поля для обязательного заполнения
Отзыв будет опубликован после проверки модератором
Принимаем заказы на товары,
не вошедшие в каталог

Пришлите маркировку необходимого вам товара.
Мы предоставим Вам наилучшие условия по поставке!

Оформить заявку

Похожие товары

Артикул (ID): ZA-3293
РПС46-ОС РС4.520.760-03 2 перекл. 27VDC Реле, ЯЛ0.452.103 ТУ.
Артикул (ID): ZA-3295
РПС46М РС4.520.760-03 2 перекл. 27VDC Реле, ЯЛ0.452.103 ТУ
Артикул (ID): BV-9299
РПС34А-ОС РС4.520.243 4 перекл. 27VDC Реле. ЯЛ0.452.079 ТУ
  • 1002 1 шт.
Артикул (ID): ZS-6890
РПС32Б РС4.520.222 2 перекл. 15VDC Реле, ЯЛ0.452.080 ТУ
  • 922.32 1 шт.
  • 922.32 от 10 шт.
Артикул (ID): ZS-6889
РПС32Б РС4.520.207 2 перекл. 20VDC Реле, ЯЛ0.452.080 ТУ
  • 1844.64 1 шт.
  • 1844.64 от 10 шт.
Артикул (ID): KK-15065
РПА 16.080||5|1990|Радиореле|
  • 2040 1 шт.
Артикул (ID): KK-14753
РПС 32 А.224||5|1988|Старт|з/уп,краш.корпус
  • 510 1 шт.
Артикул (ID): KK-14757
РПС 32 А.224||5|1995|Старт|з/уп
  • 646 1 шт.
Артикул (ID): KK-14756
РПС 32 А.224||5|1991|Старт|з/уп
  • 612 1 шт.
Артикул (ID): KK-14755
РПС 32 А.224||5|1990|Старт|з/уп
  • 612 1 шт.
Артикул (ID): KK-14754
РПС 32 А.224||5|1989|Старт|з/уп
  • 544 1 шт.
Артикул (ID): KK-14752
РПС 32 А.224||5|1988|Старт|з/уп
  • 510 1 шт.
Артикул (ID): TF-1915
РПС45 РС4.520.755-10 2 перекл. 27VDC Реле, ЯЛ0.452.081 ТУ
  • 1035 1 шт.
Артикул (ID): TF-558
РПС32Б РС4.520.220 2 перекл. 10VDC Реле, ЯЛ0.452.080 ТУ
  • 2925 1 шт.
Артикул (ID): TF-561
РПС32Б РС4.520.224 2 перекл. 27VDC Реле, ЯЛ0.452.080 ТУ.
  • 1062 1 шт.

Недавно просмотренные товары

Принимаем к оплате
IP Electron в соцсетях