69 533 товаров в наличии и на заказ

Электронные компоненты и расходные материалы

$
Настройка отображения валюты
Полный каталог
Уважаемые клиенты, обращаем ваше внимание! Цены на сайте указаны без НДС!
Счета выставляются:
  • от ИП Павлов: с НДС 5% сверх цены, указанной на сайте
  • от ООО «Ай Пи Электрон» с 22% НДС сверх цены, указанной на сайте

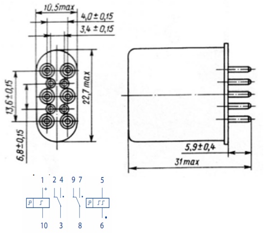
РПС32А РС4.520.208 2 перекл. 27VDC Реле, 2019г, ЯЛ0.452.080 ТУ(арт. KP-1860 )

Реле РПС32А РС4.520.208 слаботочное, электромагнитное,  поляризованное, двустабильное, герметичное, двухпозиционное, с двумя переключающими контактами. Вариант крепления без угольников. Предназначено для коммутации электрических цепей постоянного и переменного тока частотой 10000 Гц. Номинальное напряжение - 27 В. Вся дополнительная информация находится во вложении на товар, см. pdf - файл.

Подробнее
Заметили
ошибку ?
Сообщите нам

Общая информация

Наименование РПС32А РС4.520.208 2 перекл. 27VDC Реле, 2019г, ЯЛ0.452.080 ТУ
Торговая марка ОАО НПП «Старт», В.Новгород
Страна происхождения РОССИЯ
Дата выпуска 2019
Вид приемки i "5"- ВП, ПЗ
Масса изделия, гр 18,34
ТУ ЯЛ0.452.080 ТУ
ГОСТ ГОСТ 16121-86
Транслитерация RPS32A RS4.520.208 2 switches 27VDC Relay, 2019, YAL0.452.080 TU
Состояние упаковки самоупаковка
Наличие паспорта - этикетки нет

Основные параметры

Функциональная группа Электромагнитное поляризованное
Типономинал / Типоконструкция с двумя переключающими контактами
Исполнение РС4.520.208
Рабочее положение любое
Метод монтажа THT (выводной)
Фактическая маркировка РПС32А РС4.520.208
Цвет изделия серый
Габаритные размеры L*W*H 22х9х31 mm
Длина корпуса 22 mm
Высота корпуса 24 mm
Ширина корпуса 9 mm
Материал корпуса металл
Количество выводов или контактов 10
Длина выводов 5,9 mm

Технические характеристики

Диапазон напряжения 24-32 V
Номинальное напряжение 27 V
Напряжение срабатывания 8-16 V
Сопротивление обмоток 425-575 Ω

Условия эксплуатации

Климатическое исполнениеi УХЛ
Интервал рабочих температур от -60 до +100°С
Относительная влажность 98% при температуре +35°С
Срок отгрузки со склада 1 день (в наличии)
Загрузка...
Принимаем заказы на товары,
не вошедшие в каталог

Пришлите маркировку необходимого вам товара.
Мы предоставим Вам наилучшие условия по поставке!

Оформить заявку

Похожие товары

Артикул (ID): KK-15065
РПА 16.080||5|1990|Радиореле|
  • 2040 1 шт.
Артикул (ID): KK-14753
РПС 32 А.224||5|1988|Старт|з/уп,краш.корпус
  • 510 1 шт.
Артикул (ID): KK-14757
РПС 32 А.224||5|1995|Старт|з/уп
  • 646 1 шт.
Артикул (ID): KK-14756
РПС 32 А.224||5|1991|Старт|з/уп
  • 612 1 шт.
Артикул (ID): KK-14755
РПС 32 А.224||5|1990|Старт|з/уп
  • 612 1 шт.
Артикул (ID): KK-14754
РПС 32 А.224||5|1989|Старт|з/уп
  • 544 1 шт.
Артикул (ID): KK-14752
РПС 32 А.224||5|1988|Старт|з/уп
  • 510 1 шт.
Артикул (ID): TF-1915
РПС45 РС4.520.755-10 2 перекл. 27VDC Реле, ЯЛ0.452.081ТУ
  • 1035 1 шт.
Артикул (ID): TF-558
РПС32Б РС4.520.220 2 перекл. 6VDC Реле, ЯЛ0.452.080ТУ
  • 2925 1 шт.
Артикул (ID): TF-561
РПС32Б РС4.520.224 2 перекл. 27VDC Реле, ЯЛ0.452.080ТУ.
  • 1062 1 шт.
Артикул (ID): TF-560
РПС32А-ОС РС4.520.224 2 перекл. 27VDC Реле. ЯЛ0.452.080ТУ
  • 1062 1 шт.
Артикул (ID): TF-559
РПС32Б-ОС РС4.520.224 2 перекл. 27VDC Реле, ЯЛ0.452.080ТУ
  • 1062 1 шт.
Артикул (ID): TF-557
РПС32Б РС4.520.223 2 перекл. 20VDC Реле, ЯЛ0.452.080ТУ
  • 1062 1 шт.
Артикул (ID): TF-405
РПС47 РС4.520.764-02 4 перекл. 27VDC Реле, ЯЛ0.452.093ТУ
  • 5310 1 шт.
Артикул (ID): TF-404
РПС45 РС4.520.755-04 2 перекл. 15VDC Реле, ЯЛ0.452.081 ТУ

Недавно просмотренные товары

Принимаем к оплате
IP Electron в соцсетях