59 039 товаров в наличии и на заказ

Электронные компоненты и расходные материалы

$
Настройка отображения валюты
Полный каталог
Скидка на  Переключатели галетные
-20%

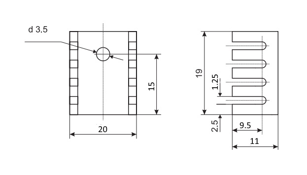
Радиатор 718A 20x19,3x9,8mm(арт. ZR-1740)

Охладитель 718A воздушный, U - типа с чернением. Назначение :    охлаждение полупроводниковых приборов в корпусе ТО220. Вся дополнительная информация находится во вложении на товар, см. pdf - файл.

Подробнее
Заметили
ошибку ?
Сообщите нам

Общая информация

Наименование Радиатор 718A 20x19,3x9,8mm
Торговая марка RUICHI
Страна изготовления КИТАЙ
Масса изделия, гр 1,54
Наличие паспорта - этикетки нет
Дата изготовленияi дата не указана

Основные параметры

Функциональная группа Установочные изделия
Функциональный тип Радиаторы (охладители)
Конструкция радиатора ребристый
Расположение ребер двустороннее
Форма радиатора U - типа
Применение радиатора для воздушного охлаждения полупроводниковых приборов в корпусе ТО220
Материал радиатора алюминий
Диаметр резьбового отверстия 3,3 mm
Присоединяемый типоразмер корпуса TO-220
Габаритные размеры L*W*H 19,3х20х11 mm
Длина радиатора 19,3 mm
Ширина радиатора 20 mm
Высота радиатора 9,8 mm
Метод монтажа винтовое
Фактическая маркировка отсутствует
Рабочее положение любое
Цвет радиатора черный
Покрытие радиатора чернение

Условия эксплуатации

Гарантийный срок (мес.) 12
Срок отгрузки со склада 5-7 рабочих дней

Полные аналоги

Функциональные аналоги

Возможные аналоги

507302B00000G Aavid, Thermal Division of Boyd Corporation, фото
507302B00000G Aavid, Thermal Division of Boyd Corporation
V7235-T Assmann WSW Components, фото
V7235-T Assmann WSW Components
HSS-B20-NP-06 CUI Devices, фото
HSS-B20-NP-06 CUI Devices

Оставить отзыв

Оценка:
              
Преимущества *
Недостатки *
Комментарий *
Ваше Имя *
Эл. почта *
Введите текст с картинки:
* Поля для обязательного заполнения
Отзыв будет опубликован после проверки модератором
Принимаем заказы на товары,
не вошедшие в каталог

Пришлите маркировку необходимого вам товара.
Мы предоставим Вам наилучшие условия по поставке!

Оформить заявку

Похожие товары

Артикул (ID): ZR-1885
BLA178-100 100х100х33mm Радиатор
  • 654.84 1 шт.
  • 545.7 от 10 шт.
  • 545.7 от 100 шт.
  • 654.84 OZON.
Артикул (ID): ZR-1886
BLA178-150 150х100х33mm Радиатор
Артикул (ID): ZR-1876
BLA164-200 200х90х30mm Радиатор
  • 1079.93 1 шт.
  • 899.94 от 10 шт.
  • 1079.93 OZON.
Артикул (ID): ZR-1739
Радиатор 718 13,6х19х9,5mm
  • 6.75 1 шт.
  • 5.63 от 10 шт.
  • 5.63 от 100 шт.
  • 6.75 OZON.
Артикул (ID): TB-8816
BLA024-50 (HS 205-50) 50x34x12 mm Радиатор.
  • 58.5 1 шт.
  • 53.9 от 10 шт.
Артикул (ID): ZR-2001
HS 107-150 32х150х17 mm Охладитель
  • 134.35 1 шт.
  • 111.96 от 10 шт.
  • 111.96 от 100 шт.
  • 134.35 OZON.
Артикул (ID): TB-8980
BLA178-200 200х100х33mm Радиатор, RUICHI
  • 1473.12 1 шт.
  • 1356.82 от 10 шт.
  • 1473.12 OZON.
Артикул (ID): ZP-5189
АВ0092 248х170х20mm Радиатор
  • 977 1 шт.
  • 814.17 от 10 шт.
  • 977 OZON.
Артикул (ID): ZR-1810
BLA052-25 25х43х11,7mm Радиатор.
  • 27.32 1 шт.
  • 22.77 от 10 шт.
  • 22.77 от 100 шт.
  • 27.32 OZON.
Артикул (ID): ZR-2087
О111-60 36х60х40mm М5 Радиатор (аналог)
  • 153 1 шт.
  • 127.5 от 10 шт.
  • 153 OZON.
Артикул (ID): TW-5955
О171-80 70х80х100, М20х1,5 Охладитель,
Артикул (ID): ZR-1768
BLA021-15 Охладитель
Артикул (ID): ZK-7684
BLA 14x14x10mm N Радиатор
Артикул (ID): ZR-1845
BLA099-100 (HS 183-100) 100х49х15mm Радиатор
  • 125.08 1 шт.
  • 104.24 от 10 шт.
  • 104.24 от 100 шт.
  • 125.08 OZON.
Артикул (ID): TN-8490
О161-80 70х80х100mm, М16 Радиатор, демонтаж
  • 364 1 шт.
  • 364 OZON.

Недавно просмотренные товары

Принимаем к оплате
IP Electron в соцсетях