69 320 товаров в наличии и на заказ

Электронные компоненты и расходные материалы

$
Настройка отображения валюты
Полный каталог
Скидка на Резисторы переменные (Потенциометры)
-20%

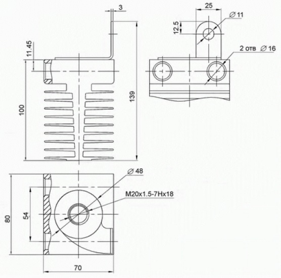
О471-80 70х80x100 мм, М20x1,5 Охладитель (арт. OP-2012)

О-471-80 Охладитель штыревой воздушный применяется для одностороннего охлаждения силовых диодов, тиристоров, симисторов штыревого исполнения с диаметром резьбы М20х1,5. О – Охладитель воздушный. 4 – Порядковый номер модификации конструкции воздушного охладителя. 7 – Обозначение модификации для штыревых охладителей по диаметру отверстия под монтажный винт. 1 – Порядковый номер модификации конструкции охладителя для приборов: 1 – штыревого исполнения. 80 – Длина охладителя, мм. Применение для: Д161, ДЛ161, Т161. Вся дополнительная информация находится во вложении на товар, см. pdf - файл.

Подробнее
Заметили
ошибку ?
Сообщите нам

Общая информация

Наименование О471-80 70х80x100 мм, М20x1,5 Охладитель
Торговая марка No name Russia
Страна изготовления РОССИЯ
Нормы и требования ТУ16-729.377-83
Масса изделия, гр 730
Состояние упаковки самоупаковка
Транслитерация Heat sink O471-80 M20x1,5
Дата изготовленияi дата не указана

Основные параметры

Функциональная группа Установочные изделия
Функциональный тип Радиаторы (охладители)
Серия радиатора О
Конструкция радиатора ребристый
Расположение ребер двустороннее
Форма радиатора прямоугольный
Применение радиатора для охлаждения электронных компонентов и устройств
Материал радиатора сплав алюминия
Диаметр резьбового отверстия M20x1.5
Присоединяемый типоразмер корпуса SD6 ; ST6
Габаритные размеры L*W*H 70х80х100 mm
Длина радиатора 70 mm
Ширина радиатора 80 mm
Высота радиатора 100 mm
Метод монтажа резьбовой
Рабочее положение любое
Цвет радиатора серый
Покрытие радиатора без покрытия

Технические характеристики

Тепловое сопротивление 1,12 °C/ W
Мощность рассеивания 80 W

Условия эксплуатации

Гарантийный срок (мес.) 1
Срок отгрузки со склада 1 день (в наличии)

Полные аналоги

O-471-80 RUICHI, фото
O-471-80 RUICHI
О-471-80  ООО «Лигра», фото
О-471-80 ООО «Лигра»

Возможные аналоги

Оставить отзыв

Оценка:
              
Преимущества *
Недостатки *
Комментарий *
Ваше Имя *
Эл. почта *
Введите текст с картинки:
* Поля для обязательного заполнения
Отзыв будет опубликован после проверки модератором
Принимаем заказы на товары,
не вошедшие в каталог

Пришлите маркировку необходимого вам товара.
Мы предоставим Вам наилучшие условия по поставке!

Оформить заявку

Похожие товары

Артикул (ID): ZR-2095
О221-60 45х60х60mm, М6 Радиатор (аналог)
  • 238.65 1 шт.
  • 238.65 от 10 шт.
  • 238.65 от 100 шт.
Артикул (ID): TM-9531
Уценка О231-80 45х80х80mm, М8 Радиатор
Артикул (ID): ZR-2096
О231-80 45х80х80mm, М8 Радиатор (аналог)
  • 553.4 1 шт.
  • 553.4 от 10 шт.
  • 553.4 от 100 шт.
Артикул (ID): ZR-1539
О171-80 70х80х100mm, М20х1,5 Радиатор
  • 1310.3 1 шт.
  • 1310.3 от 10 шт.
Артикул (ID): CC-06865
Радиатор HS 117-30
  • 47.96 1 шт.
Артикул (ID): CC-06866
Охладитель HS117-50
  • 175.21 1 шт.
Артикул (ID): ZR-1527
О111-60 35х60х40mm М5 Радиатор.
Артикул (ID): CC-10246
Охладитель BLA002-25
  • 12.93 1 шт.
Артикул (ID): ZR-2039
HS172-30 30х150х13mm Радиатор
  • 149.18 1 шт.
  • 149.18 от 10 шт.
  • 149.18 от 100 шт.
Артикул (ID): ZS-3643
I50 SSR 10/25A (50x60x80) Радиатор
  • 146.07 1 шт.
  • 146.07 от 10 шт.
  • 146.07 от 100 шт.
Артикул (ID): CC-10669
Охладитель 718A
  • 8.78 1 шт.
Артикул (ID): ZR-1877
BLA164-50 50х90х30mm Радиатор
Артикул (ID): CC-11677
Охладитель О-111 (М5 36х60х40)
  • 194.46 1 шт.
Артикул (ID): CC-11680
Охладитель L-KLS21-V20x18x15
  • 11 1 шт.
Артикул (ID): ZR-1845
BLA099-100 (HS 183-100) 100х49х15mm Радиатор
  • 126.02 1 шт.
  • 126.02 от 10 шт.
  • 126.02 от 100 шт.

Недавно просмотренные товары

Принимаем к оплате
IP Electron в соцсетях