60 358 товаров в наличии и на заказ

Электронные компоненты и расходные материалы

$
Настройка отображения валюты
Полный каталог
Скидка на  Соединители
-20%

РП10-15ЛП-О Вилка с ловителем, прямой кожух, карболит. бР0.364.025ТУ.(арт. TF-1408)

ОАО «Карачевский завод «Электродеталь»; 1500 V; 15 A; " 1" - ОТК; алюминий; бР0.364.025ТУ

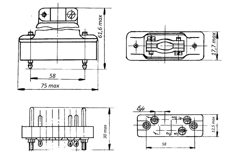
РП10-15ЛП-О Вилка - электрический низкочастотный прямоугольный соединитель. Структура условного обозначения: РП - тип соединителя: ручного сочленения (расчленения) общего назначения низкочастотный, прямоугольный; 10 - порядковый номер разработки; 15 - количество контактов; Л - наличие ловителей (направляющих штырей); П - наличие корпуса с прямым выходом кабеля (жгута); О - Покрытие контактов - олово-висмут. Соединитель предназначен для работы в цепях постоянного, переменного (с частотой до 3 МГц) и импульсного токов напряжением до 1500 В. Соединители РП10 имеют плавающие контакты. Подсоединение проводов к хвостовикам контактов методом пайки. Вся дополнительная информация находится во вложении на товар, см. pdf – файл.                                            

Подробнее
Заметили
ошибку ?
Сообщите нам

Общая информация

Наименование РП10-15ЛП-О Вилка с ловителем, прямой кожух, карболит. бР0.364.025ТУ.
Торговая марка ОАО «Карачевский завод «Электродеталь»
Страна изготовления РОССИЯ
Нормы и требования бР0.364.025 ТУ
Дата изготовленияi 1992-1999
Вид приемки i "1"- ОТК
Масса изделия, гр 49,61
Состояние упаковки самоупаковка
Транслитерация RP10-15LP-О Fork with catcher, straight casing, carbolite. BR0.364.025TU
Наличие паспорта - этикетки нет

Основные параметры

Функциональная группа соединители
Функциональный тип прямоугольные низкочастотные
Серия прямоугольных соединителей РП10
Типономинал / Типоконструкция вилка
Фактическая маркировка РП10-15ЛП-О
Количество контактов 15
Диаметр контактов 1,5 mm
Материал контактов латунь
Покрытие контактов олово - висмут
Шаг между рядами контактов 5,5 mm
Шаг контактов в ряду 6,4 mm
Количество рядов контактов 2
Наличие замка для фиксации нет замка
Наличие ловителей направляющий штырь
Наличие кожуха прямой
Материал кожуха алюминий
Цвет кожуха серый, черный
Материал изолятора карболит
Цвет изолятора коричневый
Длина изолятора 68 mm
Ширина изолятора 12,5 mm
Высота изолятора 9 mm
Габаритные размеры L*W*H 76х17,7х61,6 mm
Метод монтажа механический объемный монтаж
Метод монтажа электрический пайка
Установочные размеры 58 mm расстояние между монтажными отверстиями
Диаметр установочного отверстия 3,35 mm
Метод сочленения врубной

Технические характеристики

Рабочее напряжение, max 1500 V
Рабочий ток, max 15 A
Сопротивление контактов не более 4 mΩ
Сопротивление изоляции 10000 MΩ
- диапазон частот 1-2500 Hz
- амплитуда ускорения 18 g
Электрическая прочность изоляции 2700-3800 V

Условия эксплуатации

Интервал рабочих температур от -60 до +125°C
Климатическое исполнениеi УХЛ 2.1
Относительная влажность 98% при температуре +35°С
Ресурс 500 сочленений-расчленений
Минимальная наработка 12000 час.
Макс. срок хранения 25 лет
Загрузка...
Принимаем заказы на товары,
не вошедшие в каталог

Пришлите маркировку необходимого вам товара.
Мы предоставим Вам наилучшие условия по поставке!

Оформить заявку

Похожие товары

Артикул (ID): SK-6750
РП10-15"3"-П-О Вилка с замком, пластмасса
Артикул (ID): SN-9373
Кожух для РП10-15ЛП прямой металлический с крепежом.
  • 150 1 шт.
  • 135 от 5 шт.
Артикул (ID): SK-6538
РП10-15ЛУ-П-О Вилка с ловителем, угловой кожух, пластмасса
Артикул (ID): KK-14328
РП 10-42 Л вилка|карб.||1997|Электродеталь|копия пасп.,с креп.
  • 1080 1 шт.
Артикул (ID): KK-14329
РП 10-42 Л-О вилка|карб.||1997|Электродеталь|з/уп
  • 1026 1 шт.
Артикул (ID): KK-14330
РП 10-42 Л-О вилка|карб.||2003|Электродеталь|з/уп
  • 1080 1 шт.
Артикул (ID): KK-14331
РП 10-42 ЛУН-П-О вилка|пл.||1993|Электродеталь|з/уп
  • 1260 1 шт.
Артикул (ID): KK-14332
РП 10-42 Л-П-О розетка|пл.||1994|Электродеталь|з/уп
  • 864 1 шт.
Артикул (ID): KK-14333
РП 10-42 ЛУН-О розетка|карб.||1993|Электродеталь|кож.пластм-й,пасп.,с креп.
  • 1440 1 шт.
Артикул (ID): KK-14334
РП 10-42 ЛУН-О розетка|карб.||1994|Электродеталь|кож.пластм-й,пасп.,с креп.
  • 1440 1 шт.
Артикул (ID): TF-1406
РП10-15ЛП Вилка с ловителем, прямой кожух, карболит. бР0.364.025ТУ
  • 773 1 шт.
Артикул (ID): TF-1407
РП10-15ЛП Вилка с ловителем, прямой кожух, карболит. бР0.364.025ТУ.
  • 773 1 шт.
Артикул (ID): TF-1409
РП10-15ЛП-О Вилка с ловителем, прямой кожух, карболит. бР0.364.025ТУ
  • 773 1 шт.

Недавно просмотренные товары

Принимаем к оплате
IP Electron в соцсетях